EasyManua.ls Logo

Yamaha XVS1300A 2007 - Page 70

Yamaha XVS1300A 2007
424 pages
Print Icon
To Next Page IconTo Next Page
To Next Page IconTo Next Page
To Previous Page IconTo Previous Page
To Previous Page IconTo Previous Page
Loading...
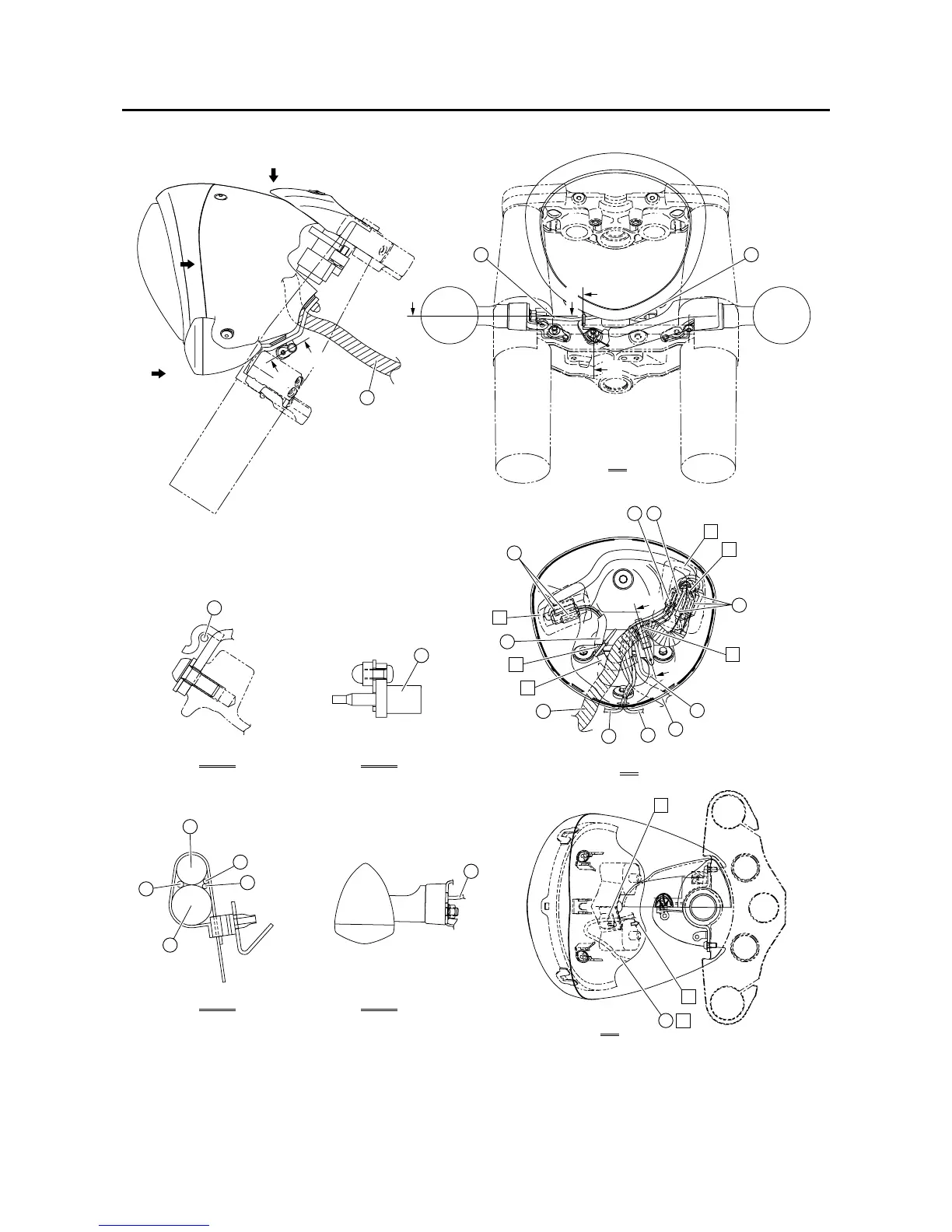
CABLE ROUTING
2-45
A
F-F D-D
G-G E-E
B
C
A
F
F
G
G
E
E
D
D
B
C
A
B
C
D
E
F
G
I
1
1
1
2
2
2
2
2
3
3
3
4
5 6
7
9
8
9
8
12
11
10
H
Manuals by Motomatrix / www.motomatrix.co.uk / The Solution For Lost Motorcycle Coded Keys
email: info@motomatrix.co.uk

Table of Contents

Related product manuals