EasyManua.ls Logo

Acteon X-MIND prime 3D ceph - Page 337

Acteon X-MIND prime 3D ceph
376 pages
Print Icon
To Next Page IconTo Next Page
To Next Page IconTo Next Page
To Previous Page IconTo Previous Page
To Previous Page IconTo Previous Page
Loading...
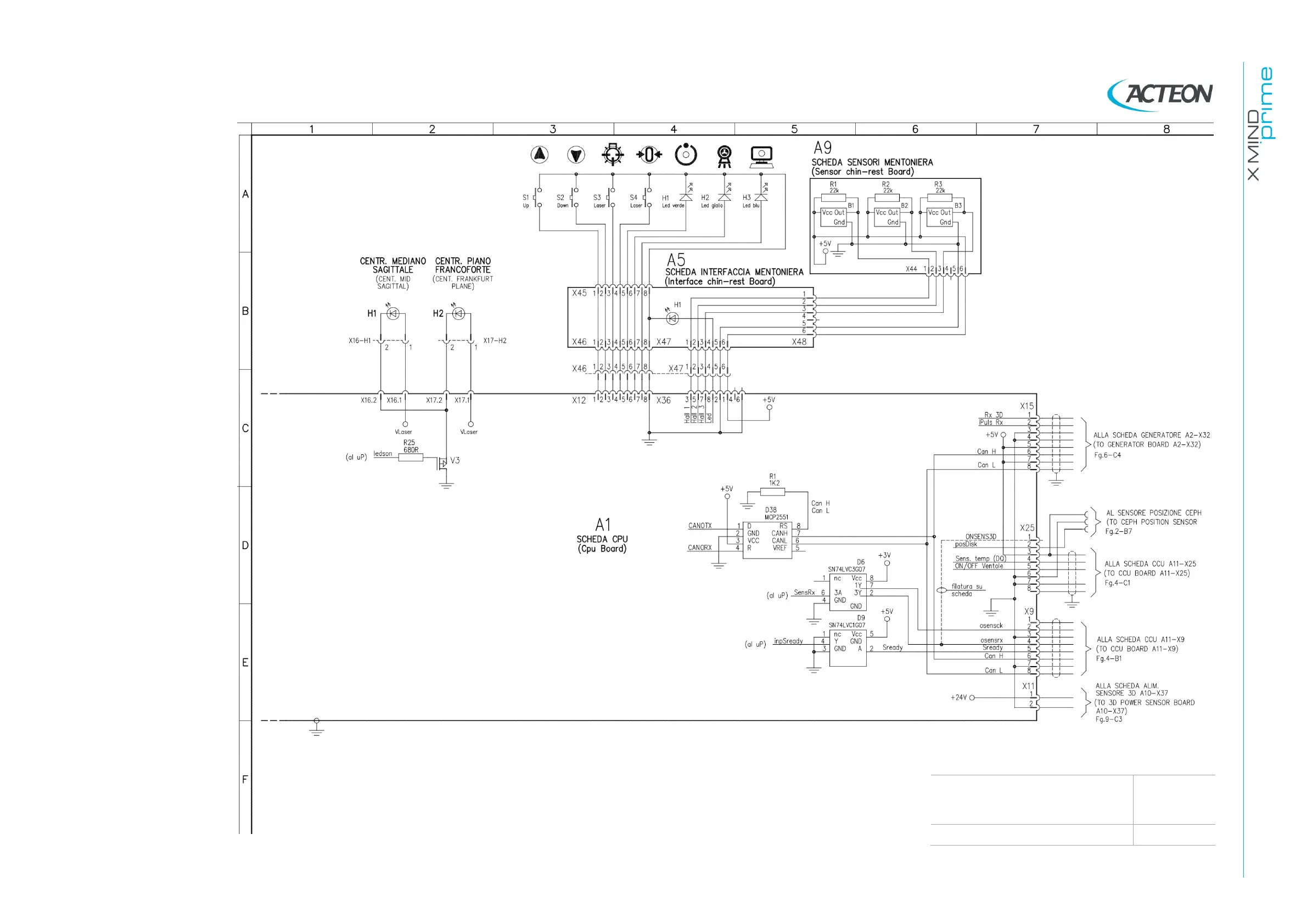
Service Manual - Schematics and drawings
SERVICE MANUAL • X-MIND prime 3D • (19) • 11/2019 • NXMPEN080A
335
X-MIND prime 3D
General diagram
1
Code 39049037- Rev. 1
Page 3 of 9

Table of Contents

Related product manuals