EasyManua.ls Logo

Acteon X-MIND prime 3D ceph - Block Diagram

Acteon X-MIND prime 3D ceph
376 pages
Print Icon
To Next Page IconTo Next Page
To Next Page IconTo Next Page
To Previous Page IconTo Previous Page
To Previous Page IconTo Previous Page
Loading...
Service Manual Description
SERVICE MANUAL • X-MIND prime 3D • (19) • 11/2019 • NXMPEN080A
27
4.2
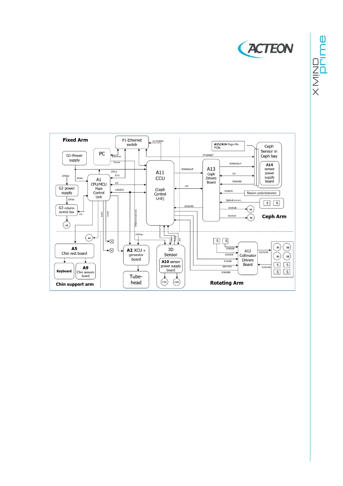
Block diagram
This paragraph provides a brief description, at block diagram level, of the X-MIND
prime 3D. Aim of this paragraph is to provide a brief description of the system. More
details about the electronic circuits which compose the system can be obtained by
analyzing the schematics provided in chapter 12.
MCU board A1 is the main board that manages directly all the components of the
unit.
It is connected to the following components:
Power supply assembly (G1)
Chin Rest motor
Zero position sensors
X-ray button
External signal board (A8)
Lift motors control box (G3)
Generator board XCU (A2) ---> (Tubehead)
Ceph Control Board (CCU, A11)
Collimator driver board (A12)
Ceph Driver board (A13)
Ceph Sensor power supply board (A14)
Overlay keyboard
3D sensor Power board (A10)
3D Sensor ---> (PC) Ethernet 1
Ceph sensor and host PC via a 5-ports ethernet switch

Table of Contents

Related product manuals