EasyManua.ls Logo

Chery A1 2009 - Cooling System; General Information

Chery A1 2009
1080 pages
Print Icon
To Next Page IconTo Next Page
To Next Page IconTo Next Page
To Previous Page IconTo Previous Page
To Previous Page IconTo Previous Page
Loading...
Electrical Schematics
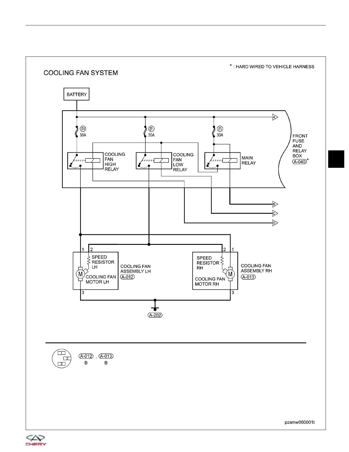
Cooling System (Page 1 of 3)
GENERAL INFORMATION
PZSMW060001T
06
06–3
Chery Automobile Co., Ltd.

Table of Contents

Related product manuals