EasyManua.ls Logo

Chery A1 2009 - Page 619

Chery A1 2009
1080 pages
Print Icon
To Next Page IconTo Next Page
To Next Page IconTo Next Page
To Previous Page IconTo Previous Page
To Previous Page IconTo Previous Page
Loading...
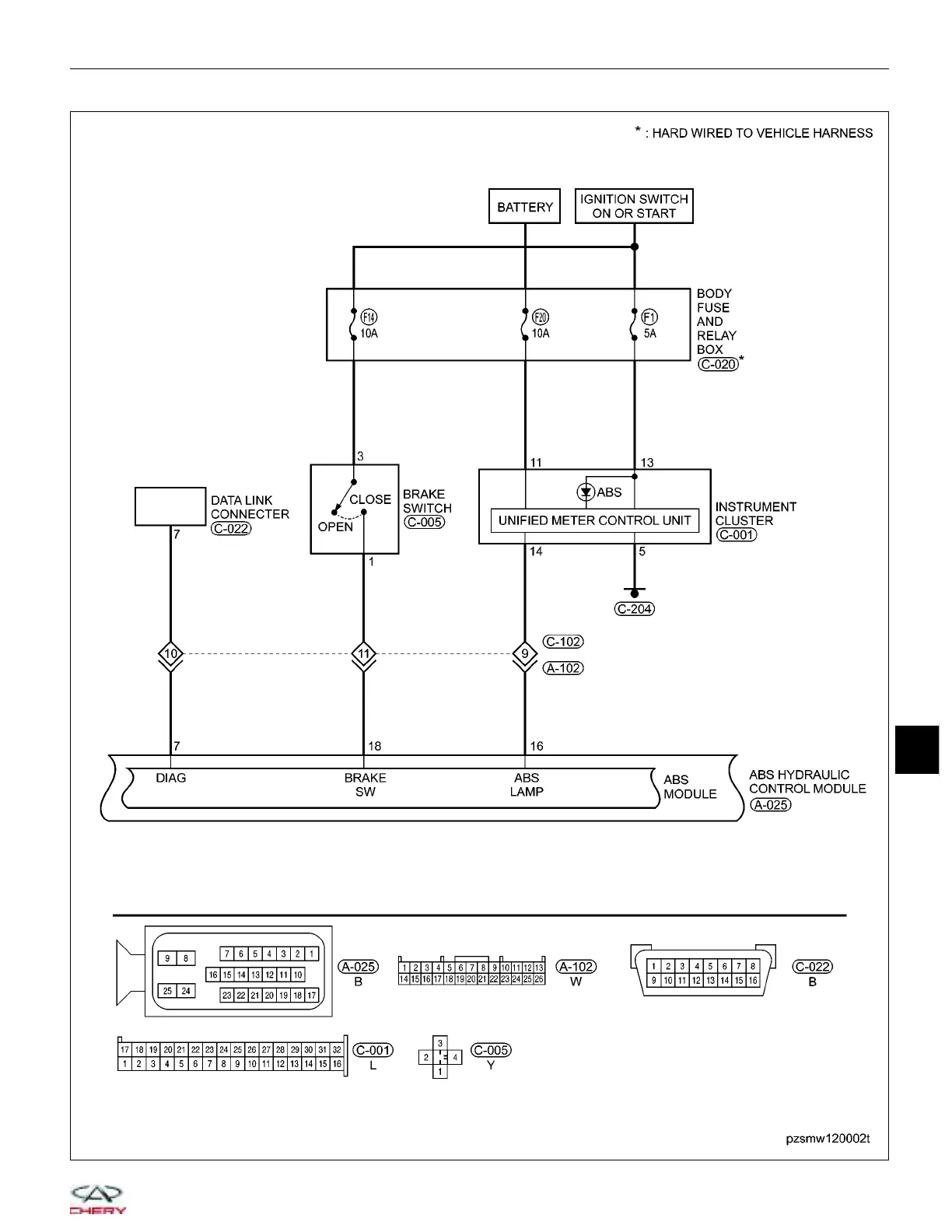
Antilock Brake System (Page 2 of 3)
GENERAL INFORMATION
PZSMW120002T
12
12–29
Chery Automobile Co., Ltd.

Table of Contents