EasyManua.ls Logo

Chery A1 2009 - Page 901

Chery A1 2009
1080 pages
Print Icon
To Next Page IconTo Next Page
To Next Page IconTo Next Page
To Previous Page IconTo Previous Page
To Previous Page IconTo Previous Page
Loading...
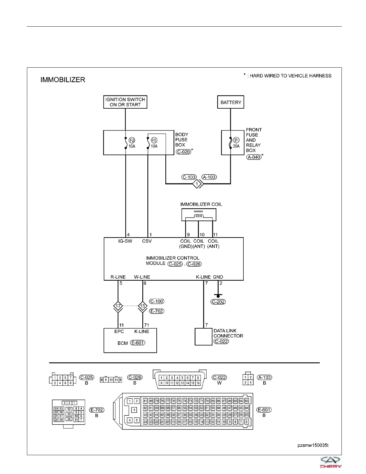
B3050 - Relay External Line Short Circuit To Ground Or Open Circuit, Relay External
Line Malfunction
B3053 - Relay External Line Short Circuit To Battery
DIAGNOSIS & TESTING
PZSMW150035T
15–132
Chery Automobile Co., Ltd.

Table of Contents

Related product manuals