EasyManua.ls Logo

Formax PowerMax 3000 - Page 264

Default Icon
408 pages
Print Icon
To Next Page IconTo Next Page
To Next Page IconTo Next Page
To Previous Page IconTo Previous Page
To Previous Page IconTo Previous Page
Loading...
M3-48 031914
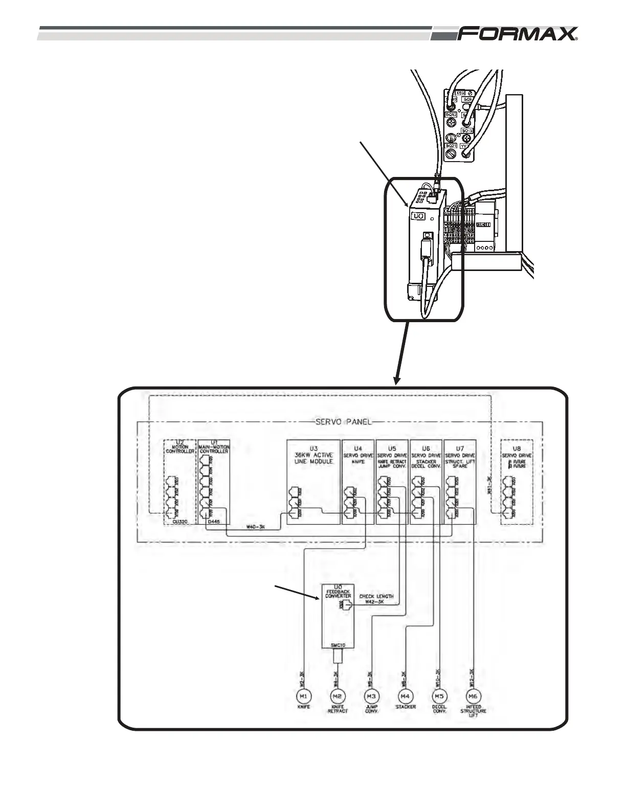
U0 Converter Module:
X524 Port: 24 VDC Control Voltage.
X500 Port: Feedback cable running to
Port X202 on the U5 Servo Drive
Feedback Port: Resolver Feedback
Cable coming from the M2 Knife
Retract Servo Motor.
ILLUSTRATION 65
U0
FEEDBACK
CONVERTOR
U0
FEEDBACK CONVERTOR

Table of Contents