EasyManua.ls Logo

Hitachi H8/500 Series - Block Diagram; Block Diagram of 16-Bit Free-Running Timer

Hitachi H8/500 Series
459 pages
To Next Page IconTo Next Page
To Next Page IconTo Next Page
To Previous Page IconTo Previous Page
To Previous Page IconTo Previous Page
Loading...
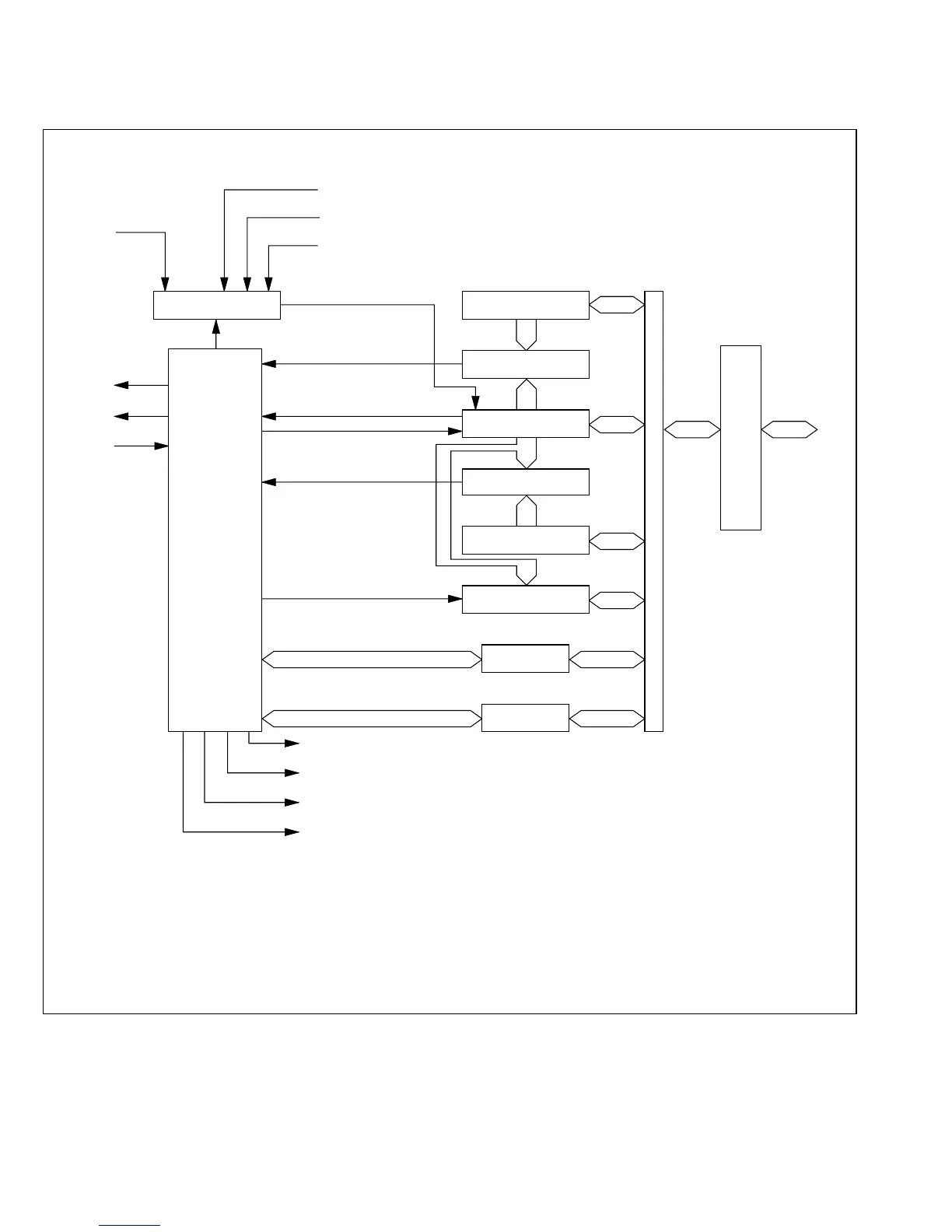
10.1.2. Block Diagram
Figure 10-1 shows a block diagram of one free-running timer channel.
ICI
OCIA
OCIB
FOVI
Interrupt signals
OCRA:
OCRB:
FRC:
ICR:
TCSR:
TCR:
Output Compare Register A
Output Compare Register B
Free Running Counter
Input Capture Register
Timer Control/Status Register
Timer Control Register
TCR
TCSR
ICR
OCRB
Comparator B
Capture
Compare-match B
Clear
Overflow
FRC
Comparator A
OCRA
Control
logic
FTOA
FTOB
FTI
FTCI
External clock Internal clock
ø/4
ø/8
ø/32
Clock
Clock select
Compare-match A
Module
data
bus
Internal
data bus
Bus interface
Figure 10-1 Block Diagram of 16-Bit Free-Running Timer
178
Downloaded from Elcodis.com electronic components distributor

Table of Contents

Related product manuals