EasyManua.ls Logo

Hitachi H8/500 Series - Port 3 Port Read

Hitachi H8/500 Series
459 pages
To Next Page IconTo Next Page
To Next Page IconTo Next Page
To Previous Page IconTo Previous Page
To Previous Page IconTo Previous Page
Loading...
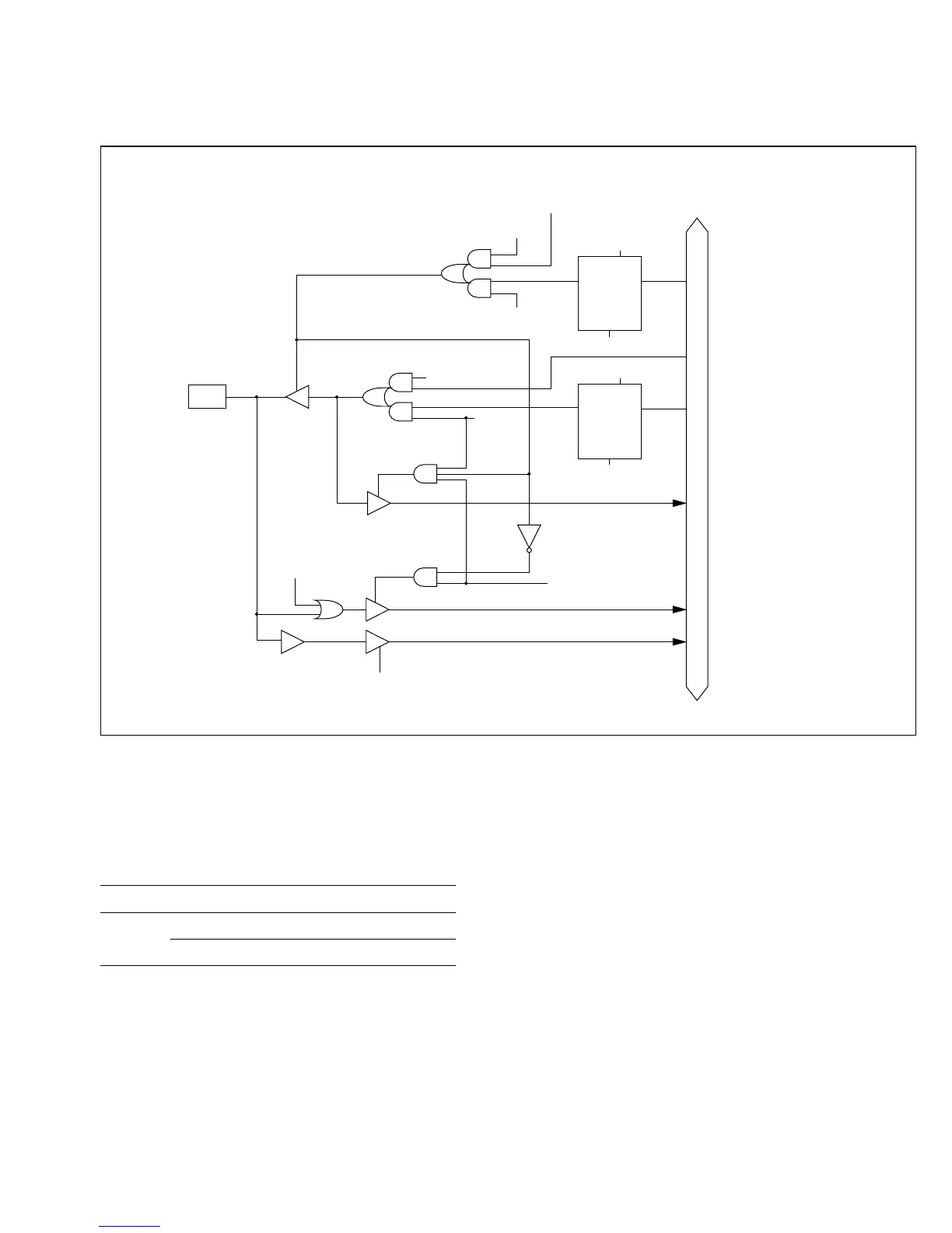
C.3 Schematic Diagram of Port 3
Figure C-3 gives a schematic view of the port 3 input/output circuits.
Table C-3 Port 3 Port Read
Mode Port Read Data
1,2,3,4 Always reads 1
DDR = 0 Pin value
DDR = 1 DR value
Internal data bus (PDB8 to PDB15)
WP3D:
WP3:
RP3:
n:
Write to P3DDR
Write to Port 3
Read Port 3
0 to 7
WP3D
C
R
QD
P3 DR
n
C
R
QD
P3 DDR
n
Reset
WP3
Reset
Data bus control
External address read
Mode 7
RP3
Mode 7
Mode 1, 2, 3, or 4
Mode 1, 2, 3, or 4
Mode 1, 2, 3,
or 4
P3
n
7
Figure C-3 Schematic Diagram of Port 3
414
Downloaded from Elcodis.com electronic components distributor

Table of Contents

Related product manuals