EasyManua.ls Logo

Hitachi H8/500 Series - Block Diagram; Block Diagram of AD Converter

Hitachi H8/500 Series
459 pages
To Next Page IconTo Next Page
To Next Page IconTo Next Page
To Previous Page IconTo Previous Page
To Previous Page IconTo Previous Page
Loading...
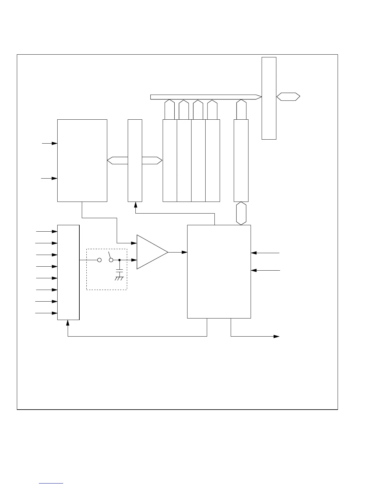
15.1.2 Block Diagram
Figure 15-1 shows a block diagram of A/D converter.
AVCC
AVSS
AN0
AN1
AN2
AN3
AN4
AN5
AN6
AN7
Analog multiplexer
Sample & hold
circuit
+
10-Bit D/A
Module data bus
Internal
data bus
Control circuit
ø/8
ø/16
ADI
Interrupt signal
ADDRA:
ADDRB:
ADDRC:
ADDRD:
ADCSR:
A/D Data Register A
A/D Data Register B
A/D Data Register C
A/D Data Register D
A/D Control/Status Register
Successive approximations
register
ADDRA
ADDRB
ADDRC
ADDRD
ADCSR
Bus interface
Figure 15-1 Block Diagram of A/D Converter
274
Downloaded from Elcodis.com electronic components distributor

Table of Contents

Related product manuals