EasyManua.ls Logo

Hitachi H8/500 Series - C) Schematic Diagram of Port 9, Pin P9

Hitachi H8/500 Series
459 pages
To Next Page IconTo Next Page
To Next Page IconTo Next Page
To Previous Page IconTo Previous Page
To Previous Page IconTo Previous Page
Loading...
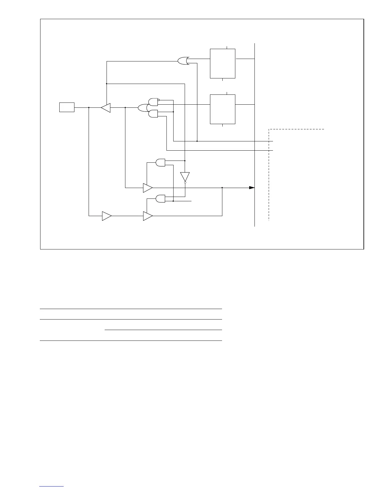
Table C-9 (c) Port 9 Port Read (Pin P95)
Setting Port Read Data
Output enable Serial transfer data
DDR = 0 Pin value
DDR = 1 DR value
RP9
P9
5
WP9
SCI timer module
Output enable
Serial transfer data
WP9D:
WP9:
RP9:
Write to P9DDR
Write to Port 9
Read Port 9
Internal data bus (PDB13)
C
R
QD
P9 DR
5
C
R
QD
P9 DDR
5
Reset
Reset
WP9D
Output disable
Figure C-9 (c) Schematic Diagram of Port 9, Pin P95
426
Downloaded from Elcodis.com electronic components distributor

Table of Contents

Related product manuals