EasyManua.ls Logo

Keithley 2651A - Page 78

Keithley 2651A
800 pages
Print Icon
To Next Page IconTo Next Page
To Next Page IconTo Next Page
To Previous Page IconTo Previous Page
To Previous Page IconTo Previous Page
Loading...
Section 2: General operation Model 2651A High Power System SourceMeter® Instrument Reference Manual
2-56 2651A-901-01 Rev. A / March 2011
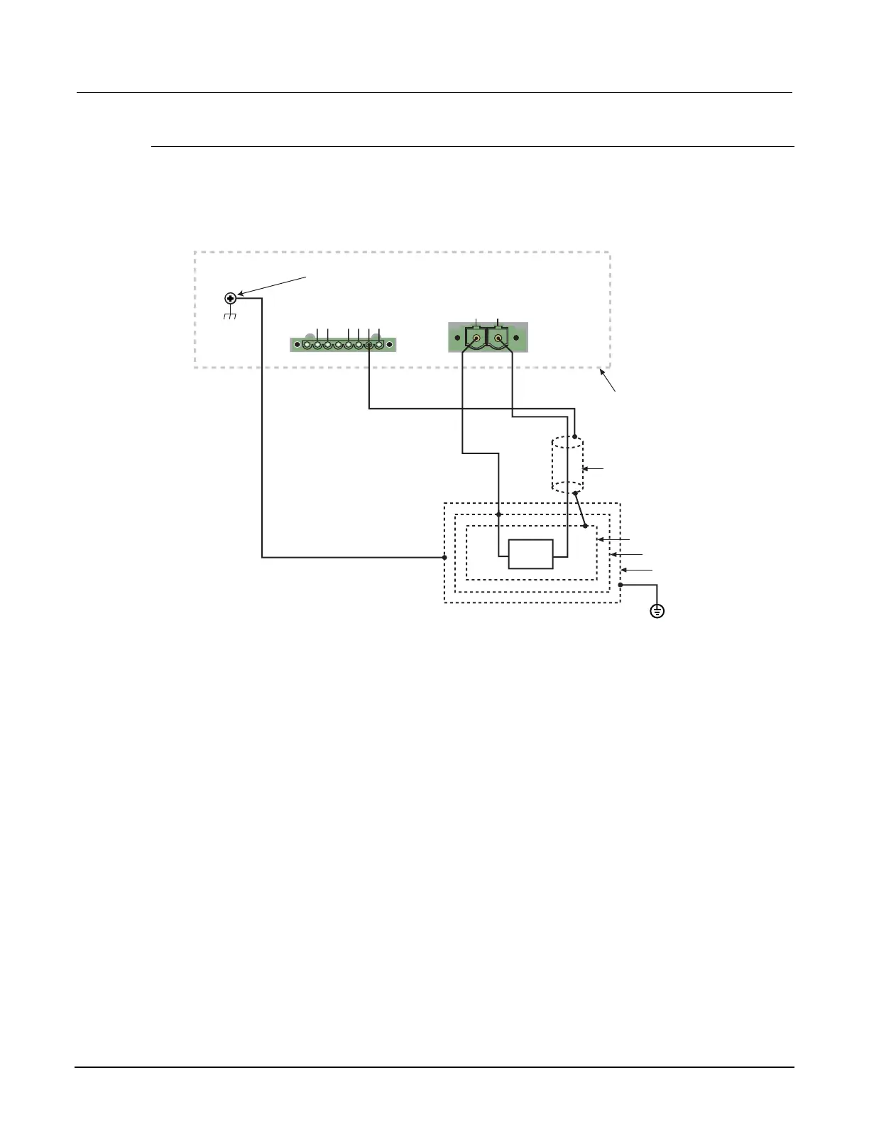
Using shielding and guarding together
The following figures show connections for a test system that uses a noise shield, a safety shield, and
guarding. The guard shields are connected to the driven guard (G) of the SMU. The noise shield is
connected to SMU LO. The safety shield is connected to the chassis and to a safety earth ground.
Figure 22: Connections for noise shield, safety shield, and guarding
GGGG
S
LO
SENSE/GUARD
S
HI
LO HI
OUTPUT
40V, 50A MAX.
Chassis
ground
Safety
earth
ground
Metal guard
shield
HI
G
LO
HILO
Chassis
Metal safety shield
Metal noise shield
Metal guard shield
Model 2651A chassis
connected to chassis
earth ground through the
power cord
Test
circuit

Table of Contents

Other manuals for Keithley 2651A

Related product manuals