EasyManua.ls Logo

Maeda MC285C-3 - MACHINE COMPONENTS

Maeda MC285C-3
314 pages
Print Icon
To Next Page IconTo Next Page
To Next Page IconTo Next Page
To Previous Page IconTo Previous Page
To Previous Page IconTo Previous Page
Loading...
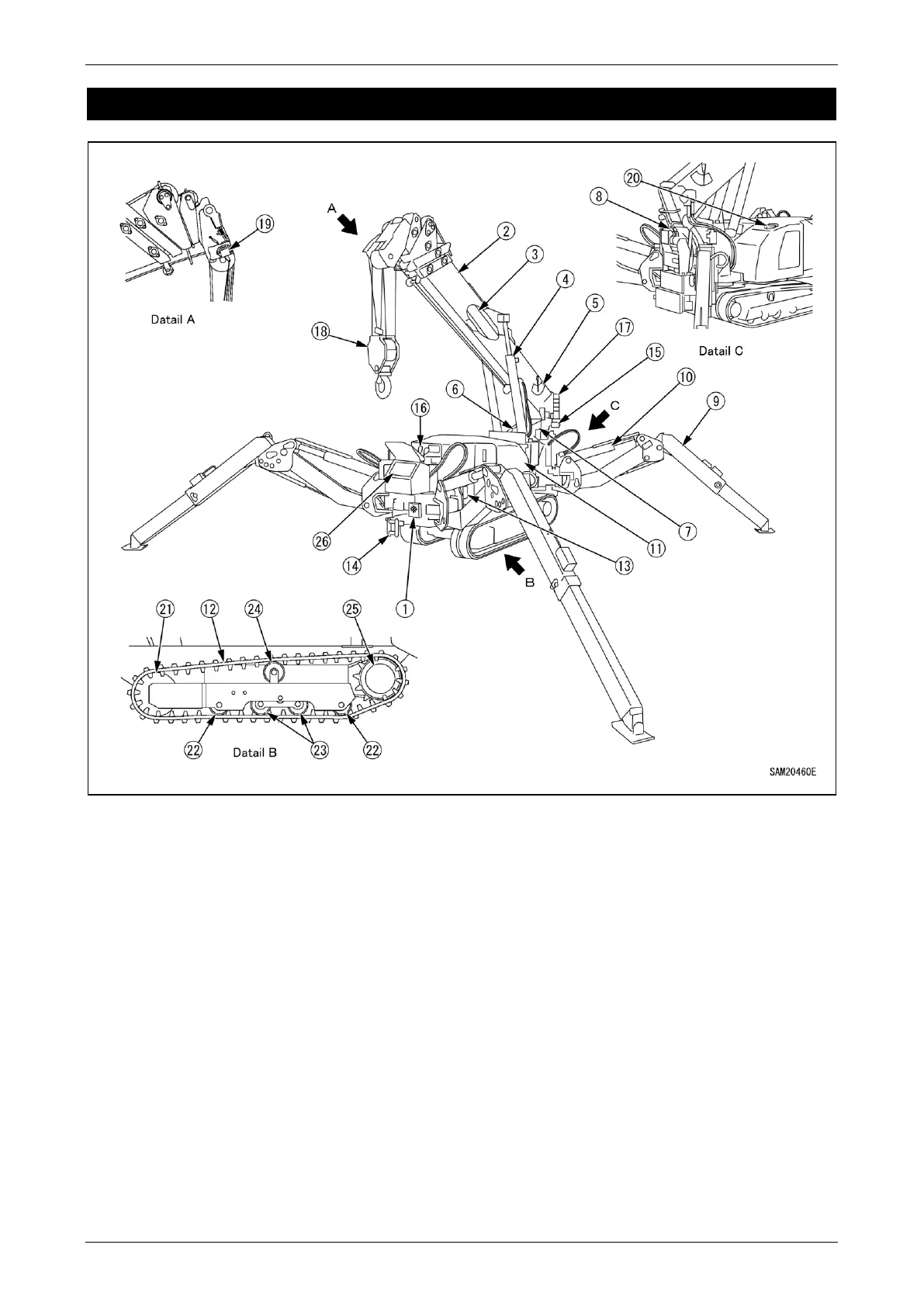
Section 4 MACHINE COMPONENTS Mini-Crawler Crane M A E D A
4-2 1/2019 MC285C-3
MACHINE COMPONENTS
Fig. 4-1
1 - Working Light
2 - Boom
3 - Boom Telescope Cylinder (inside the boom)
4 - Boom Derrick Cylinder
5 - Angle Indicator
6 - Winch
7 - Post
8 - Travel Control
9 - Outrigger
10 - Outrigger Cylinder
11 - Machinery Cover
12 - Rubber Track
13 - Fuel Tank (under the engine)
14 - Hook Hanger
15 - Over Winding Alarm Buzzer
16 - Crane Control
17 - Working Status Lamp
18 - Hook Block
19 - Over Winding Detector
20 - Hydraulic Oil Tank
21 - Front Idler
22 - Track Roller
23 - Tandem Track Roller
24 - Carrier Roller
25 - Travelling Motor and Sprocket
26 - Monitor

Table of Contents

Other manuals for Maeda MC285C-3

Related product manuals