EasyManua.ls Logo

Maeda MC285C-3 - Crane and Boom Controls; Control Location

Maeda MC285C-3
314 pages
Print Icon
To Next Page IconTo Next Page
To Next Page IconTo Next Page
To Previous Page IconTo Previous Page
To Previous Page IconTo Previous Page
Loading...
M A E D A Mini-Crawler Crane Section 4 CRANE AND BOOM CONTROLS
1/2019 MC285C-3 4-7
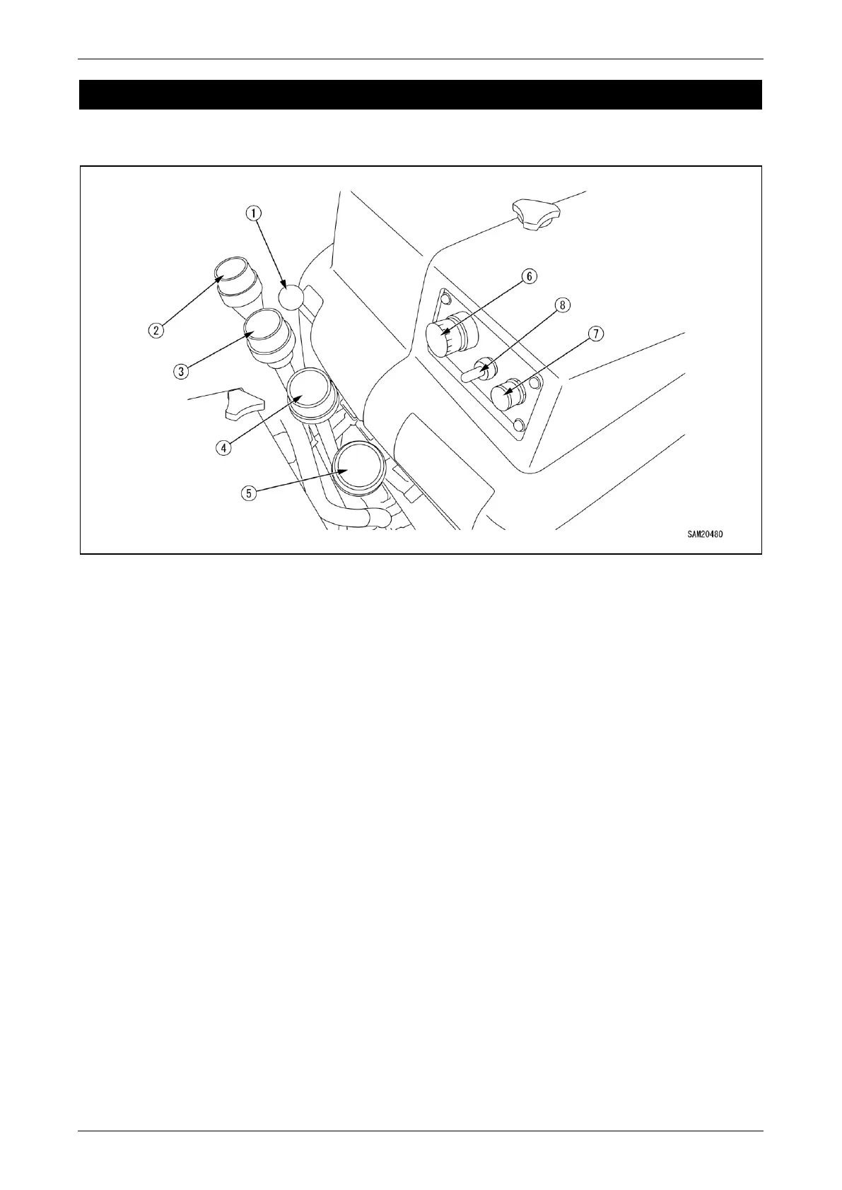
CRANE AND BOOM CONTROLS
Control Location
Fig. 4-10
1 - Accelerator Lever
2 - Slewing Lever
3 - Boom Telescoping Lever
4 - Winch Lever
5 - Boom Lift Lever
6 - Emergency Engine Stop Switch (EMO)
7 - Horn Switch
8 - Engine Start/Stop Switch

Table of Contents

Other manuals for Maeda MC285C-3

Related product manuals