EasyManua.ls Logo

Manitowoc MLC650 - Drum 2 Lowering Hydraulic Schematic

Manitowoc MLC650
376 pages
Print Icon
To Next Page IconTo Next Page
To Next Page IconTo Next Page
To Previous Page IconTo Previous Page
To Previous Page IconTo Previous Page
Loading...
Reference Only
HOISTS MLC650 SERVICE/MAINTENANCE MANUAL
5-16
Published 09-09-16, Control # 229-09
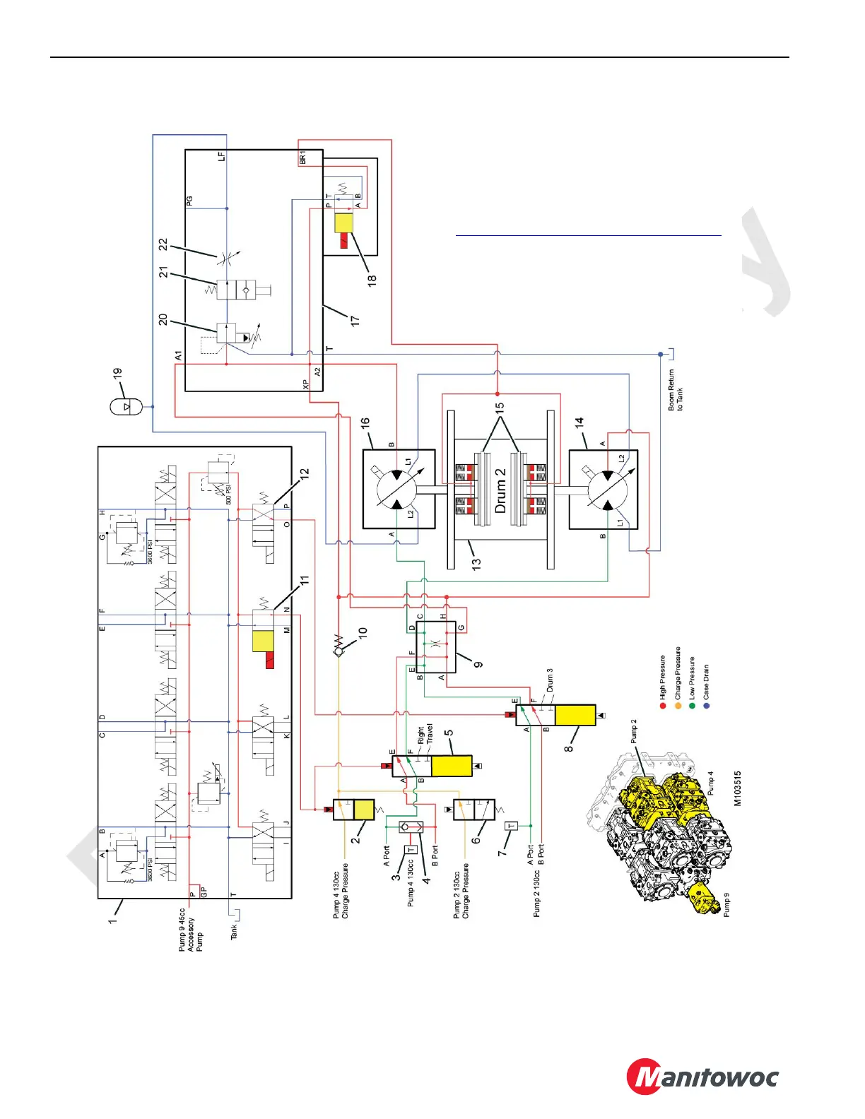
Drum 2 Lowering Hydraulic Schematic
FIGURE 5-7
See Table 5-2.Legend for Figure 5-6 and Figure 5-7

Table of Contents

Other manuals for Manitowoc MLC650

Related product manuals