EasyManua.ls Logo

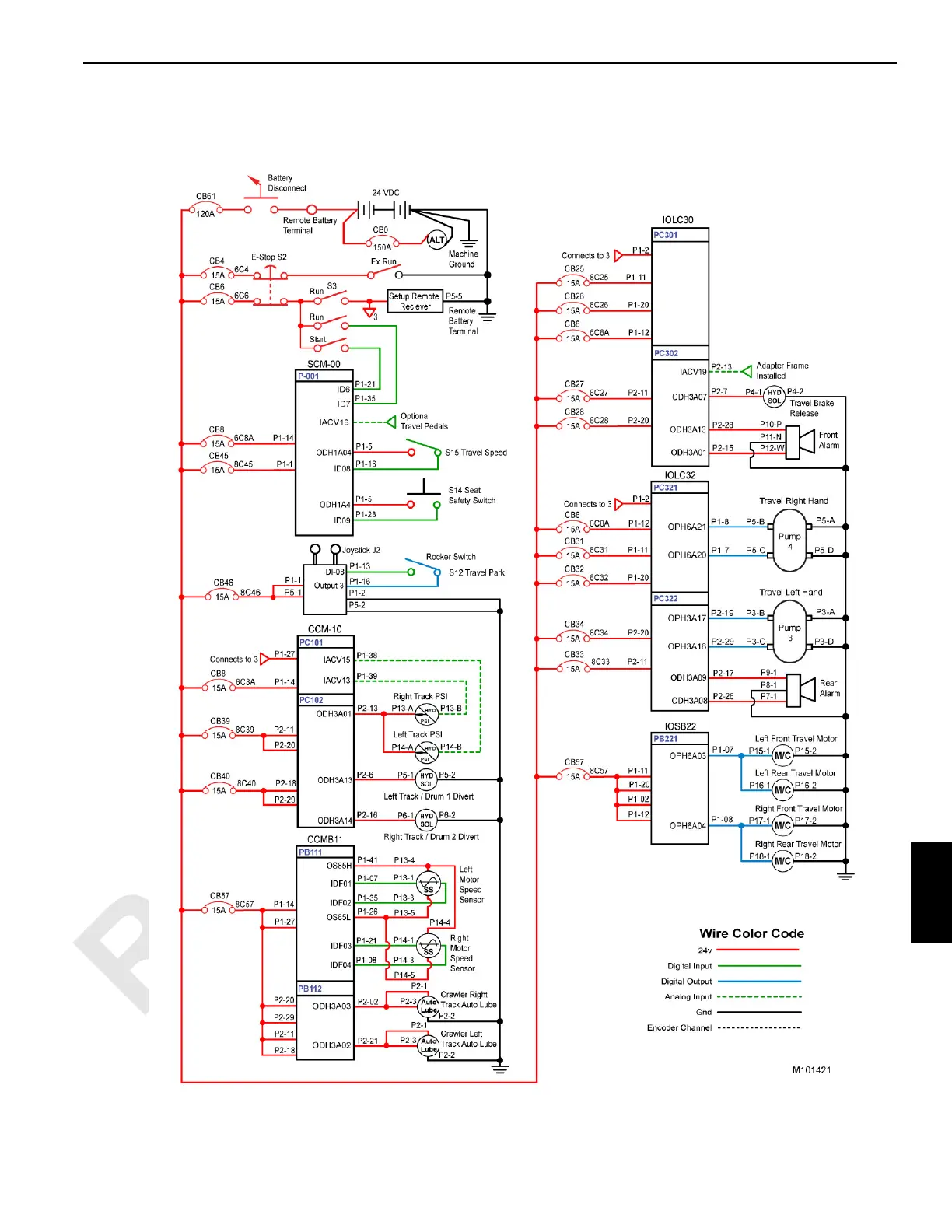
Manitowoc MLC650 - Travel Electrical Schematic

Manitowoc MLC650
376 pages
Print Icon
To Next Page IconTo Next Page
To Next Page IconTo Next Page
To Previous Page IconTo Previous Page
To Previous Page IconTo Previous Page
Loading...
Reference Only
Manitowoc Published 09-09-16, Control # 229-09 8-7
MLC650 SERVICE/MAINTENANCE MANUAL UNDERCARRIAGE
8
8
Travel Electrical Schematic
FIGURE 8-3

Table of Contents

Other manuals for Manitowoc MLC650

Related product manuals