EasyManua.ls Logo

Physio Control LIFEPAK 20 - ECG Connector Assembly Diagrams

Physio Control LIFEPAK 20
370 pages
Print Icon
To Next Page IconTo Next Page
To Next Page IconTo Next Page
To Previous Page IconTo Previous Page
To Previous Page IconTo Previous Page
Loading...
Previous Page Table of Contents Section Contents
Back
Index Next Page
LIFEPAK 20/20e Defibrillator/Monitor Replacement Procedures
Bottom Case (continued)
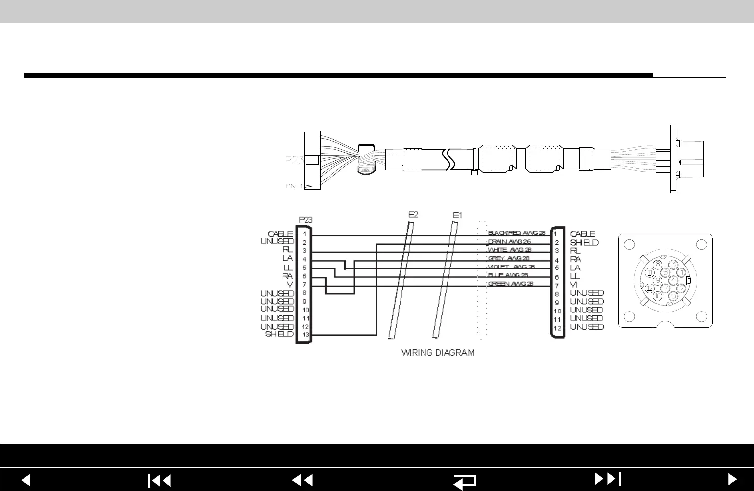
W06 ECG Connector
Assembly Diagrams
MIN 3318315
(RoHS) or
3201010-009
(non-RoHS)
ECG Connector,
Inside View
J23
Interconnect
9-138

Table of Contents

Other manuals for Physio Control LIFEPAK 20

Related product manuals