EasyManua.ls Logo

RFL Electronics IMUX 2000 - Page 260

Default Icon
982 pages
Print Icon
To Next Page IconTo Next Page
To Next Page IconTo Next Page
To Previous Page IconTo Previous Page
To Previous Page IconTo Previous Page
Loading...
Because RFL and Hubbell® have a policy of continuous product improvement, we reserve the right to change designs and specications without notice.
M-DACS-E1 RFL Electronics Inc.
August 7, 2012 9-17(9-18 blank) (973) 334-3100
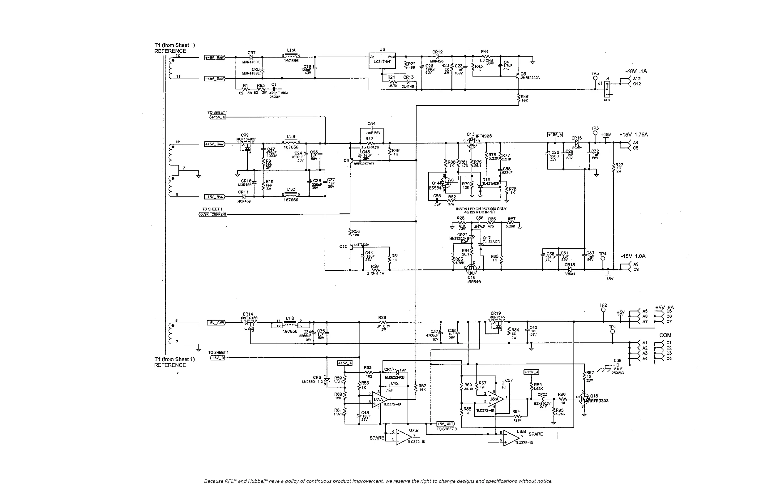
Figure 9-2. Schematic,IMUX 2000 Power Supply, 24 Vdc
48/125 Vdc and 120 Vac High Power
(Drawing No. B-107454-4-H, Sheet 2 of 3)

Table of Contents