EasyManua.ls Logo

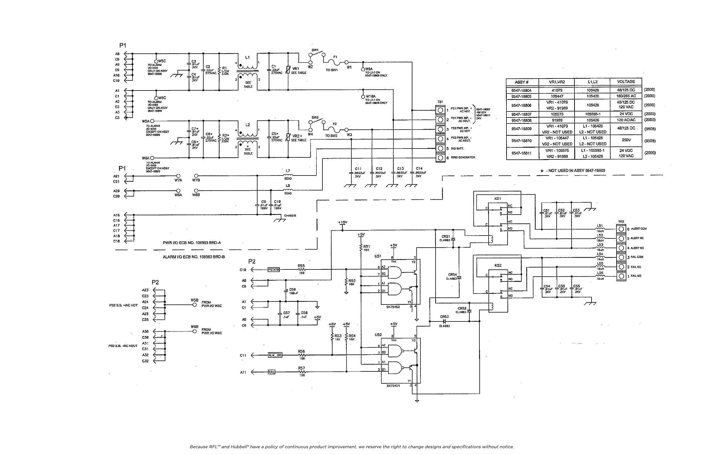
RFL Electronics IMUX 2000 - Figure 9-5. Schematic, IMUX 2000 Power Supply, Alarm I;O 24 VDC

Default Icon
982 pages
Print Icon
To Next Page IconTo Next Page
To Next Page IconTo Next Page
To Previous Page IconTo Previous Page
To Previous Page IconTo Previous Page
Loading...
Because RFL and Hubbell® have a policy of continuous product improvement, we reserve the right to change designs and specications without notice.
-DACS-E1 RFL Electronics Inc.
2012 9-25(9-26 Blank) (973) 334-3100
Figure 9-5. Schematic, IMUX 2000 Po
wer Supply, Alarm I/O 24 Vdc
(Drawing No. D-106984-1-C)
M
August 7,

Table of Contents