EasyManua.ls Logo

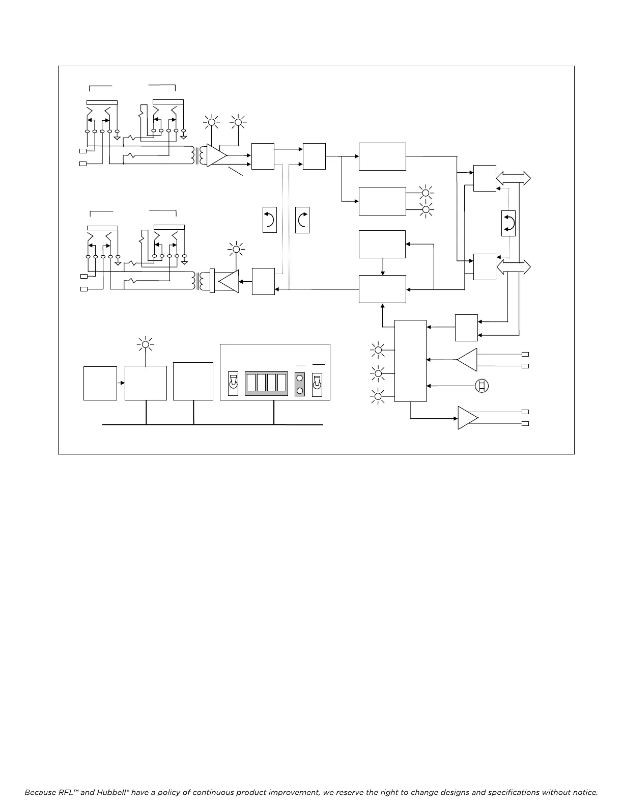
RFL Electronics IMUX 2000 - Figure 2-15. Functional Diagram, CM4 Common Module, Communications Control

Default Icon
982 pages
Print Icon
To Next Page IconTo Next Page
To Next Page IconTo Next Page
To Previous Page IconTo Previous Page
To Previous Page IconTo Previous Page
Loading...
Because RFL and Hubbell® have a policy of continuous product improvement, we reserve the right to change designs and specications without notice.
M-DACS-T1 RFL Electronics Inc.
Jitter
Buffer
Select
Multiplexer
Demultiplexer
Frame
Synchronization
Timing
Select
Micro-
processor
Non-
volatile
memory
Front Panel User Interface
Figure 2-15. Functional diagram, CM4 Common Module, Communications Control
CM4 Status and Control Bus
Select
LOOP
EXT
INT
Loop or
Through
External
Internal
oscillator
Bus
Switch
A
Bus
Switch
B
Bus B
Bus A
FRM
ERR
Frame
Overhead
To/From
Channel
Modules
External
Timing
Input
Timing
Output
(RS-422)
RX IN BPV
Line Recovered
Receiver Timing
Data
Select
“DeMUX”
Bus
Equipment
Loopback
Line
Loopback
LBO
TX OUT
Line
Driver
LPBK
GROUP FUNCTION
ON
OFF
SET
NEXT
RS-232
Serial
Port
Payload
Loopback
110
430
430
EQUIP
MON
T1 IN
T1 Input
110
430
430
EQUIP
MON
T1 IN
1 Output T
October 16, 2012 2-28 (973) 334-3100

Table of Contents