EasyManua.ls Logo

RFL Electronics IMUX 2000 - Figure 2-24. Functional Diagram, IMUX 2000 M-DACS Power Supply and Power Supply Alarm I;O Module

Default Icon
982 pages
Print Icon
To Next Page IconTo Next Page
To Next Page IconTo Next Page
To Previous Page IconTo Previous Page
To Previous Page IconTo Previous Page
Loading...
Because RFL and Hubbell® have a policy of continuous product improvement, we reserve the right to change designs and specications without notice.
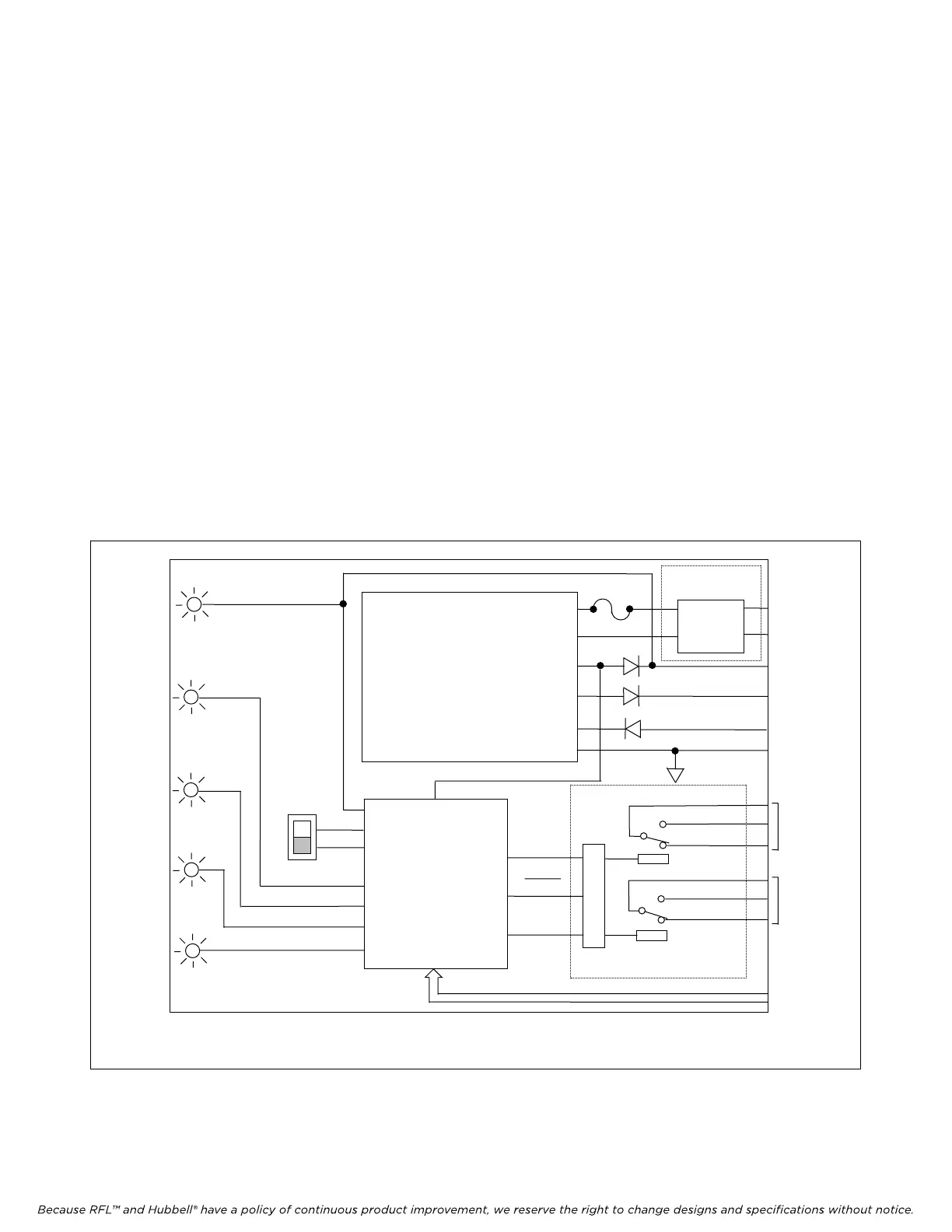
2.3.6 POWER SUPPLY MODULES
IMUX 2000 M-DACS multiplexers can be configured with five different power supplies that can
operate with the following input voltages: 120 Vac, 220 Vac, 24 Vdc, 48 to 125 Vdc, or 250 Vdc. (The
specifications listed in Section 11 of this manual provide more information on power supply input
voltage ranges, input fuse requirements, and output power ratings.) The Main Shelf can contain one or
two power supplies with the same capacity. A functional block diagram of the IMUX 2000 M-DACS
Power Supply and the Power Supply Alarm I/O module appears in Figure 2-24.
The first power supply inserts into the "P.S. MAIN" slot. The second optional power supply inserts
into the "P.S. REDUNDANT" slot. As configured at the factory, all Main Shelves can be powered by
one power supply module. The second power module, if installed, provides power supply redundancy;
if the main power supply fails, the redundant supply automatically comes on-line, with no loss of
transmission.
If you are adding modules to an existing system equipped with dual power supplies, always verify that
total power consumption does not exceed the capacity of a single supply. This will insure power
supply redundancy. (See Section 3 for more information.)
Figure 2-24. Functional diagram, IMUX 2000 M-DACS Power Supply and Power Supply Alarm I/O module
FAIL
ALERT
SUPPLY
FAIL
NORMAL
POW
ER
AC or DC
INPUT
+5 VOLTS
+15 VOLTS
-15 VOLTS
COMMON
ALERT
CONTACTS
FAIL
CONTACTS
STATUS SIGNALS
FROM
COMMON
MODULE
EMI AND
SWC
FILTER
POWER SUPPLY
ALARM
CONTROL
CIRCUIT
PART OF PS ALARM
I/O MODULE
ACO
SWITCH
POWER FAIL SENSE
RELAY
LOGIC
COM
N.C.
N.O.
COM
N.O.
N.C.
FAIL
PSTAT0
ALM_DIS
FUSE
PART OF PS
ALARM I/O MODULE
NOTE: THE RELAY IS ENERGIZED UNDER NORMAL OPERATING CONDITIONS AND DE-ENERGIZED DURING ALARM
CONDITIONS. THE RELAY IS SHOWN IN THE NON-ALARM STATE.
M-DACS-T1 RFL Electronics Inc.
October 16, 2012 2-44 (973) 334-3100

Table of Contents