EasyManua.ls Logo

RFL Electronics IMUX 2000 - Page 488

Default Icon
982 pages
Print Icon
To Next Page IconTo Next Page
To Next Page IconTo Next Page
To Previous Page IconTo Previous Page
To Previous Page IconTo Previous Page
Loading...
Because RFL and Hubbell® have a policy of continuous product improvement, we reserve the right to change designs and specications without notice.
SW1
SAMPLING BUFFER
ADDRESS
BUS
DATA
BUS
ADDRESS
BUS
DATA
BUS
ADDRESS
BUS
DATA
BUS
ADDRESS
BUS
DATA
BUS
BALANCING RELAY
XFMR
BALANCING RELAY
XFMR
LOGIC
ACTEL
80C320
MICRO-
PROCESSOR
SCB
ACTEL
LEVEL ONE
LXT400
TRAN-
SCEIVER
INPUT
BUFFERS
(8) T1 INPUT
SIGNALS
(8) T1 OUTPUT
SIGNALS
DIP SWITCHES
SCB DATA
SCB SYNC
SCB CLOCK
SEALING
CURRENT
REVERSAL
RELAY
DATA AND
CONTROL
(15)
OUT
METALLIC
BIPOLAR
INTERFACE
IN
DS17
DS1
TO
DS8
SW2
SW3
SW4
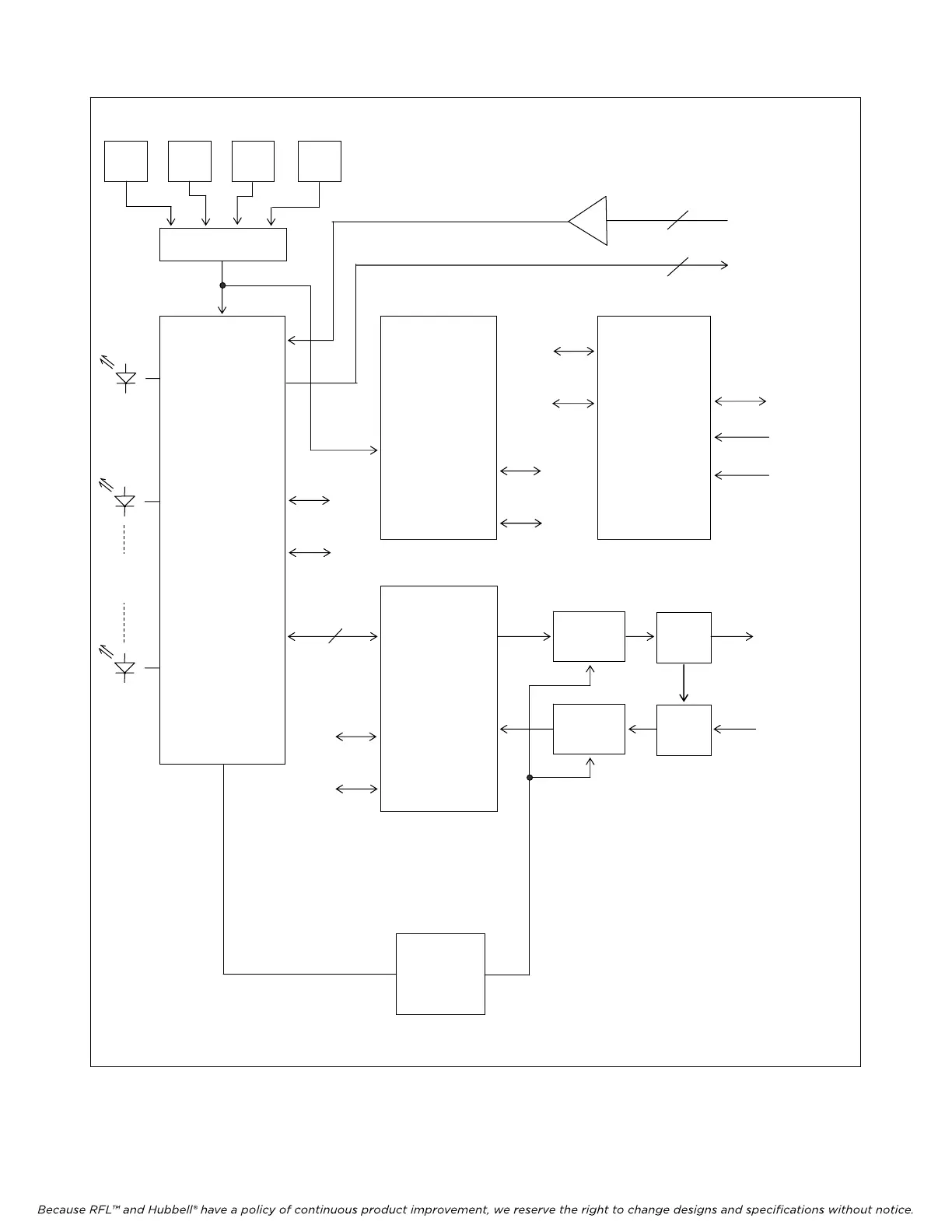
Figure 3. Functional block diagram, RFL OCUDP module.
RFL OCUDP RFL Electronics Inc.
July 15, 2010 14 (973) 334-3100

Table of Contents