EasyManua.ls Logo

RFL Electronics IMUX 2000 - Page 619

Default Icon
982 pages
Print Icon
To Next Page IconTo Next Page
To Next Page IconTo Next Page
To Previous Page IconTo Previous Page
To Previous Page IconTo Previous Page
Loading...
Because RFL and Hubbell® have a policy of continuous product improvement, we reserve the right to change designs and specications without notice.
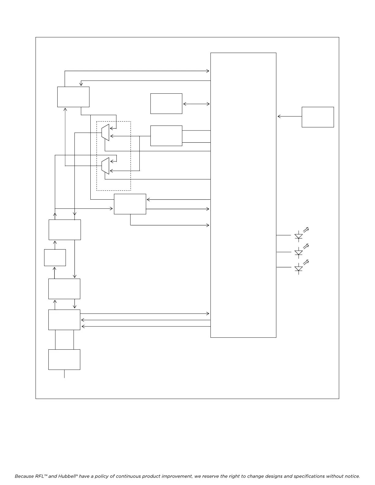
MA-306
PCM
CODEC
BUS DRIVERS
AND
RECEIVERS
LOW PASS
FILTERS AND
SUMMING CKT
DTMF
TONE
DECODER
VOLUME
CONTROL
DIP
SWITCHES
1-9
LOGIC
ARRAY
TONE 0
TONE 1
RX TONE EN
TX TONE EN
DTMF CLK
STD A CLK
DATA BUS
/ (4)
SUBSCRIBER
LINE
INTERFACE
CIRCUIT
TIP RING
DET
C1
C2
DATA
BUS
/ (8)
TRANS-HYBRID
CIRCUIT
UNITY
GAIN AMP
ANALOG SWITCH
DS1
RING
DS2
BUSY
DS3
SRVC
INPUT/OUTPUT
Figure 3. Functional block diagram, RFL VF-8A module.
RFL VF-8A RFL Electronics Inc.
August 6, 2010 15 (973)
334-3100

Table of Contents