EasyManua.ls Logo

Ski-Doo TOURING E LT 1997 - Page 69

Ski-Doo TOURING E LT 1997
926 pages
Print Icon
To Next Page IconTo Next Page
To Next Page IconTo Next Page
To Previous Page IconTo Previous Page
To Previous Page IconTo Previous Page
Loading...
Section 03 ENGINE
Sub-Section 03 (377, 443 AND 503 ENGINE TYPES)
03-03-4
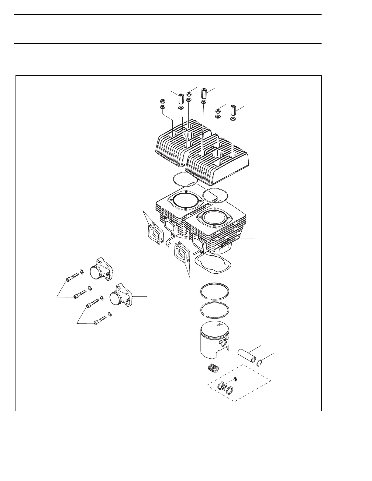
TOP END
22 N•m
(16 lbf•ft)
22 N•m
(16 lbf•ft)
Grease
503 S-Series
only
22 N•m
(16 lbf•ft)
22 N•m
(16 lbf•ft)
A23C05S
1
2
1
2
1
2
3
4
5
5
8
9
10
7
7
6
6
FLAT RATE
PARTS

Table of Contents

Related product manuals