EasyManua.ls Logo

Stober PK - Shaft Design (Solid Shaft), F Housing Design (Round Flange)

Stober PK
460 pages
Print Icon
To Next Page IconTo Next Page
To Next Page IconTo Next Page
To Previous Page IconTo Previous Page
To Previous Page IconTo Previous Page
Loading...
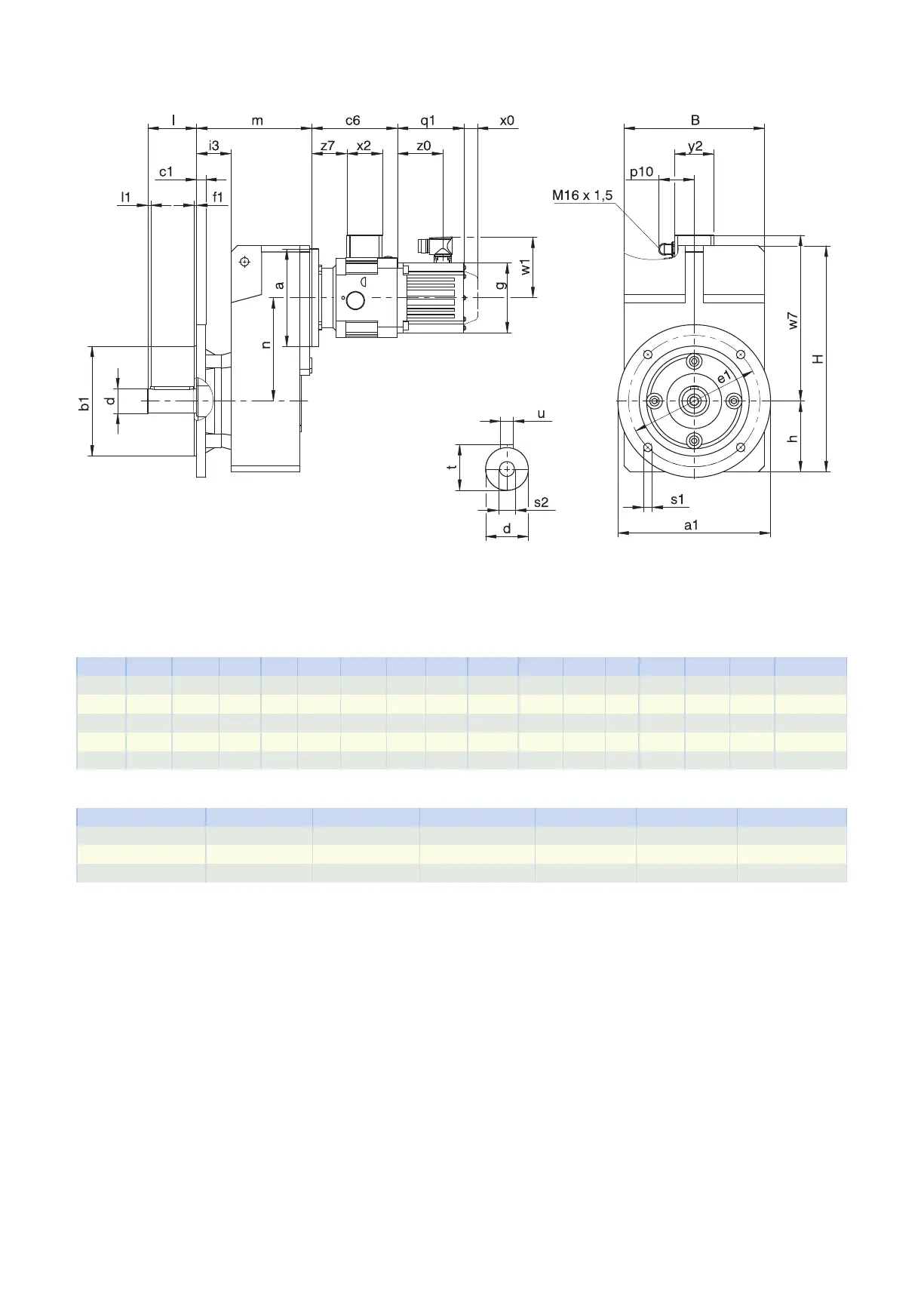
6.3.5 V shaft design (solid shaft), F housing design (round flange)
q1 Applies to motors with brake. x0 Applies to encoders using an optical measuring method.
w1 Different for the One Cable Solution (OCS), see the chap-
ter [}11.4]
Dimensions of gear units
Type
a1
b1
B c1
d
e1
f1 h H i3 l l1
s1
s2 t u
F1 160 110
j6
145 10 25
k6
130 3.5 74 238.0 44.5 50 5 9 M10 28.0 A8×7×40
F2 200 130
j6
180 14 30
k6
165 3.5 93 299.0 53.0 60 5 11 M10 33.0 A8×7×50
F3 250 180
j6
206 15 35
k6
215 4.0 106 335.5 56.5 70 5 14 M12 38.0 A10×8×60
F4 250 180
j6
230 15 40
k6
215 4.0 116 370.0 56.5 80 5 14 M16 43.0 A12×8×70
F6 300 230
j6
265 17 50
k6
265 4.0 137 433.0 60.5 100 5 14 M16 53.5 A14×9×90
Motor adapter dimensions
Type c6 p10 w7 x2 y2 z7
F_MB23 140 59 102.9 58 64 57.5
F_MB33 161 59 115.4 58 64 71.0
F_MB43 194 59 134.9 58 64 93.5
6.3 Dimensional drawings 6 Foffset helical geared motors
156

Table of Contents