EasyManua.ls Logo

Stober PK - S Shaft Design (Hollow Shaft with Shrink Ring), NF Housing Design (Foot + Round Flange)

Stober PK
460 pages
Print Icon
To Next Page IconTo Next Page
To Next Page IconTo Next Page
To Previous Page IconTo Previous Page
To Previous Page IconTo Previous Page
Loading...
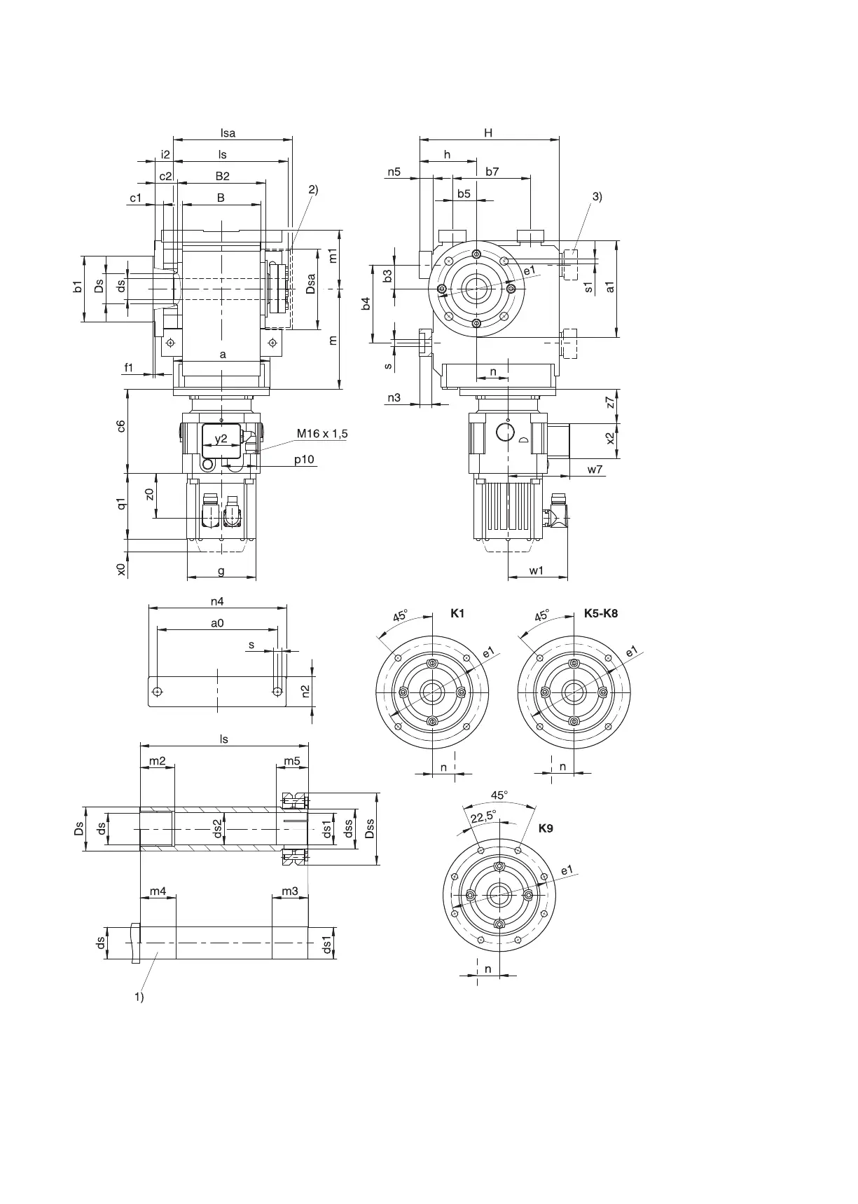
10.3.10 S shaft design (hollow shaft with shrink ring), NF housing design (foot +
round flange)
q1 Applies to motors with brake. x0 Applies to encoders using an optical measuring method.
w1 Different for the One Cable Solution (OCS), see the chap-
ter [}11.4]
1) Machine shaft: The dimension ls must meet or exceed the
specified value.
2) Cover (optional) 3) Only for K1 (other sizes on request)
10.3 Dimensional drawings 10 Khelical bevel geared motors
342

Table of Contents