EasyManua.ls Logo

Stober PK - S Shaft Design (Hollow Shaft with Shrink Ring), GD Housing Design (Pitch Circle Diameter + Torque Arm Bracket)

Stober PK
460 pages
Print Icon
To Next Page IconTo Next Page
To Next Page IconTo Next Page
To Previous Page IconTo Previous Page
To Previous Page IconTo Previous Page
Loading...
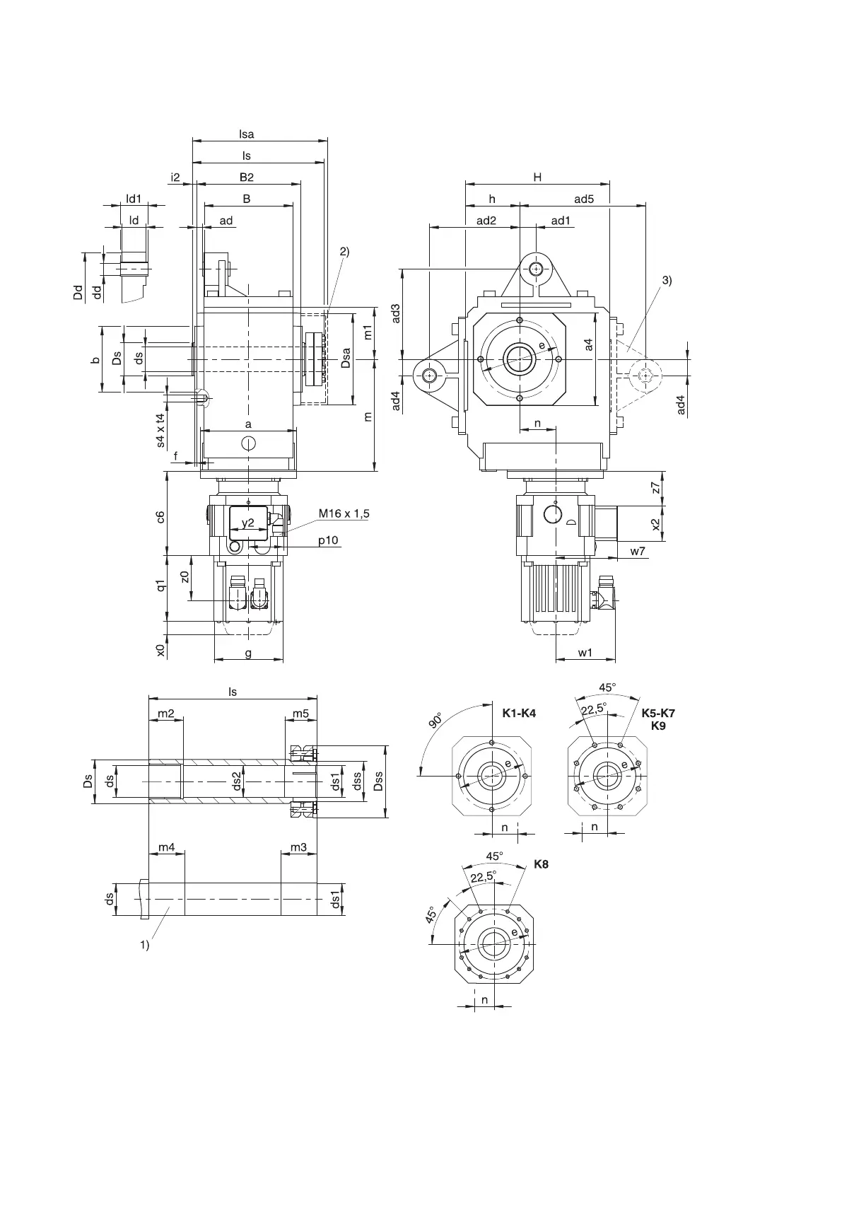
10.3.8 S shaft design (hollow shaft with shrink ring), GD housing design (pitch
circle diameter + torque arm bracket)
q1 Applies to motors with brake. x0 Applies to encoders using an optical measuring method.
w1 Different for the One Cable Solution (OCS), see the chap-
ter [}11.4]
1) Machine shaft: The dimension ls must meet or exceed the
specified value.
2) Cover (optional) 3) Only for K1 (other sizes on request)
If you brace the gear units without the torque arm brack-
ets provided by the manufacturer for this purpose, the di-
mensions for ad2 and ad3 must meet the specified value.
10.3 Dimensional drawings 10 Khelical bevel geared motors
338

Table of Contents