EasyManua.ls Logo

Stober PK - F Shaft Design (Flange Shaft)

Stober PK
460 pages
Print Icon
To Next Page IconTo Next Page
To Next Page IconTo Next Page
To Previous Page IconTo Previous Page
To Previous Page IconTo Previous Page
Loading...
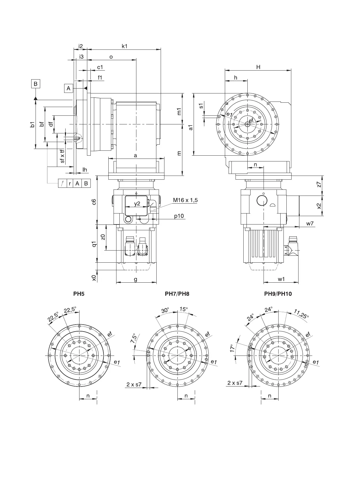
8.3.1 F shaft design (flange shaft)
q1 Applies to motors with brake. x0 Applies to encoders using an optical measuring method.
w1 Different for the One Cable Solution (OCS), see the chap-
ter [}11.4]
8.3 Dimensional drawings 8 PHKright-angle planetary geared motors
240

Table of Contents