EasyManua.ls Logo

Stober PK - Dimensional Drawings; EZ2 - EZ3 Motors (One Cable Solution)

Stober PK
460 pages
Print Icon
To Next Page IconTo Next Page
To Next Page IconTo Next Page
To Previous Page IconTo Previous Page
To Previous Page IconTo Previous Page
Loading...
11.4 Dimensional drawings
In this chapter, you can find the dimensions of the motors.
Dimensions can exceed the specifications of ISO 2768-mK due to casting tolerances or accumulation of indi-
vidual tolerances.
We reserve the right to make dimensional changes due to ongoing technical development.
You can download 3D models of our standard drives at https://configurator.stoeber.de/en-US/
.
Tolerances
Solid shaft Tolerance
Shaft fit ≤ 50 mm DIN 748-1, ISO k6
Shaft fit > 50 mm DIN 748-1, ISO m6
Centering holes in solid shafts in accordance with DIN 332-2, DR shape
Thread size M4 M5 M6 M8 M10 M12 M16 M20 M24
Thread depth
[mm]
10 12.5 16 19 22 28 36 42 50
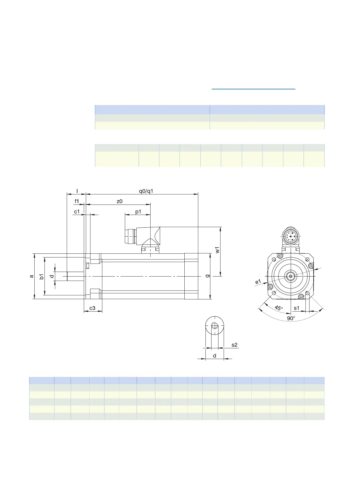
11.4.1 EZ2 – EZ3 motors (One Cable Solution)
q0 Applies to motors without holding brake q1 Applies to motors with holding brake
Type
a
b1
c1 c3
d
e1
f1
g
l p1 q0 q1
s1
s2 w1 z0
EZ202U 55 40
j6
7 7 9
k6
63 3.5 55 20 40 148 157 5.8 M4 69.5 93.0
EZ203U 55 40
j6
7 7 9
k6
63 3.5 55 20 40 166 175 5.8 M4 69.5 111.0
EZ301U 72 60
j6
7 26 14
k6
75 3.0 72 30 40 116 156 6.0 M5 78.0 80.5
EZ302U 72 60
j6
7 26 14
k6
75 3.0 72 30 40 138 178 6.0 M5 78.0 102.5
EZ303U 72 60
j6
7 26 14
k6
75 3.0 72 30 40 160 200 6.0 M5 78.0 124.5
11.4 Dimensional drawings 11 EZsynchronous servo motors
390

Table of Contents