EasyManua.ls Logo

Stober PK - S Shaft Design (Hollow Shaft with Shrink Ring), GN Housing Design (Pitch Circle Diameter + Side Fastening)

Stober PK
460 pages
Print Icon
To Next Page IconTo Next Page
To Next Page IconTo Next Page
To Previous Page IconTo Previous Page
To Previous Page IconTo Previous Page
Loading...
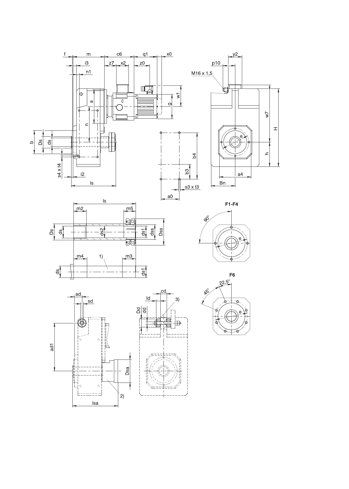
6.3.8 S shaft design (hollow shaft with shrink ring), GN housing design (pitch
circle diameter + side fastening)
q1 Applies to motors with brake. x0 Applies to encoders using an optical measuring method.
w1 Different for the One Cable Solution (OCS), see the chap-
ter [}11.4]
1) Machine shaft: The dimension ls must meet or exceed the
specified value.
2) Cover (optional) 3) Rubber buffer for torque arm bracket (optional). Dimen-
sion Dd = outer diameter of the rubber buffer when not
tensioned.
6.3 Dimensional drawings 6 Foffset helical geared motors
162

Table of Contents