EasyManua.ls Logo

Stober PK - A Shaft Design (Hollow Shaft), Q Housing Design (Square Flange)

Stober PK
460 pages
Print Icon
To Next Page IconTo Next Page
To Next Page IconTo Next Page
To Previous Page IconTo Previous Page
To Previous Page IconTo Previous Page
Loading...
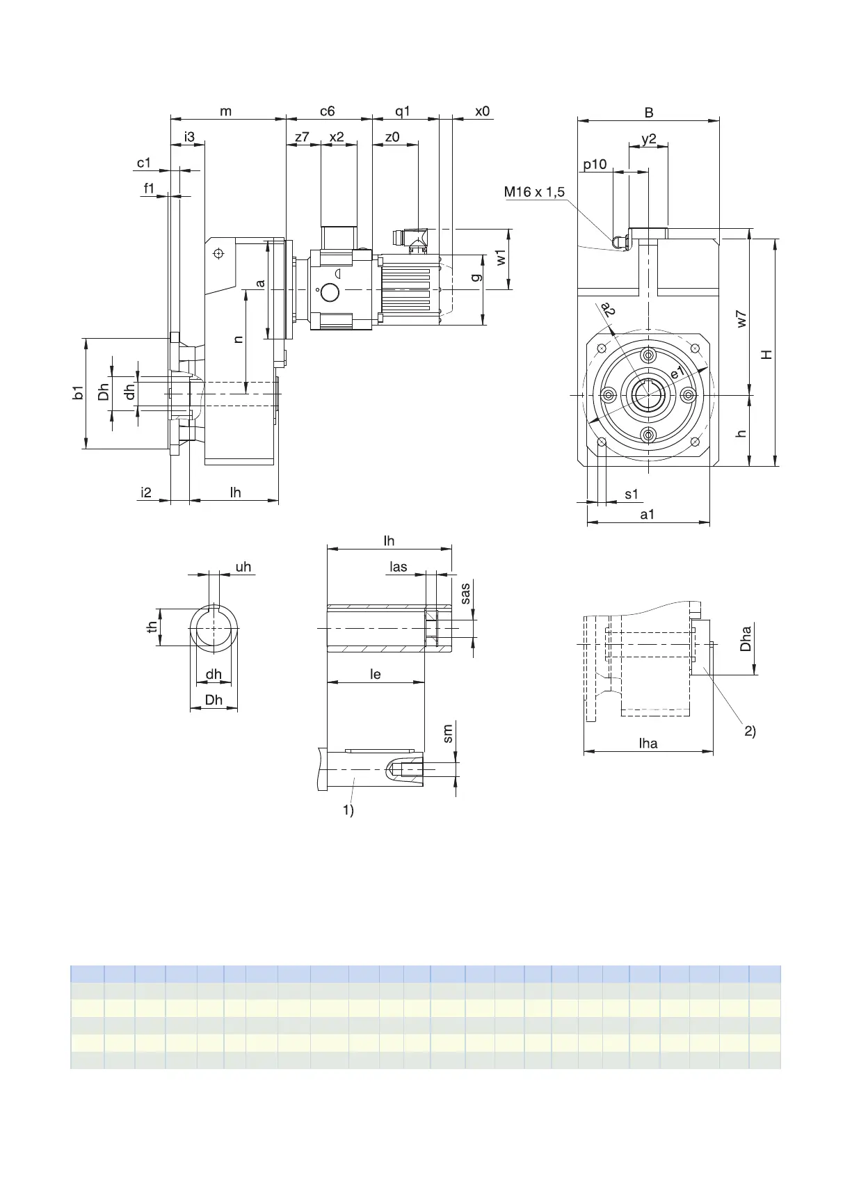
6.3.4 A shaft design (hollow shaft), Q housing design (square flange)
q1 Applies to motors with brake. x0 Applies to encoders using an optical measuring method.
w1 Different for the One Cable Solution (OCS), see the chap-
ter [}11.4]
1) The length of the machine shaft must be at least 2.2 x
dh and the length of the feather key must be at least 2 x
dh.
2) Cover (optional)
Dimensions of gear units
Type
a1
a2
b1
B c1
dh
Dh
Dha
e1
f1 h H i2 i3 le lh las lha
s1
sm sas th uh
F1 125 160 110
j6
145 10 20
H7
35 70 130 3.5 74 238.0 25.5 44.5 73 95 12 112 9 M6 M8 22.8 6
JS9
F2 150 195 130
j6
180 14 25
H7
45 82 165 3.5 93 299.0 30.0 53.0 92 115 12 132 11 M10 M12 28.3 8
JS9
F3 200 260 180
j6
206 15 30
H7
50 88 215 4.0 106 335.5 31.5 56.5 103 130 12 157 14 M10 M12 33.3 8
JS9
F4 200 260 180
j6
230 15 40
H7
55 100 215 4.0 116 370.0 31.5 56.5 114 145 12 175 14 M16 M20 43.3 12
JS9
F6 250 325 230
j6
265 17 50
H7
70 115 265 4.0 137 433.0 29.5 60.5 143 180 12 194 14 M16 M20 53.8 14
JS9
6.3 Dimensional drawings 6 Foffset helical geared motors
154

Table of Contents