EasyManua.ls Logo

Stober PK - Shaft Design (Solid Shaft), NF Housing Design (Foot + Round Flange)

Stober PK
460 pages
Print Icon
To Next Page IconTo Next Page
To Next Page IconTo Next Page
To Previous Page IconTo Previous Page
To Previous Page IconTo Previous Page
Loading...
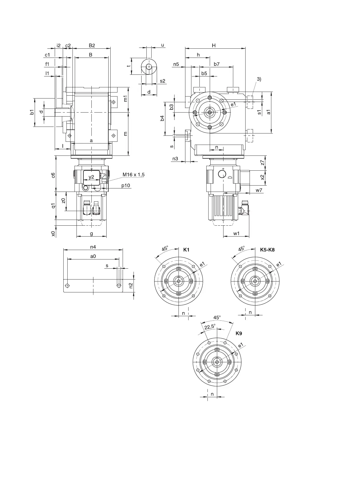
10.3.14 V shaft design (solid shaft), NF housing design (foot + round flange)
q1 Applies to motors with brake. x0 Applies to encoders using an optical measuring method.
w1 Different for the One Cable Solution (OCS), see the chap-
ter [}11.4]
3) Only for K1 (other sizes on request)
K1 – K4: Solid shaft without feather key available, on re-
quest starting at K5.
K1 − K10: Solid shaft on both sides available.
10.3 Dimensional drawings 10 Khelical bevel geared motors
350

Table of Contents