EasyManua.ls Logo

Stober PK - A Shaft Design (Hollow Shaft), G Housing Design (Pitch Circle Diameter)

Stober PK
460 pages
Print Icon
To Next Page IconTo Next Page
To Next Page IconTo Next Page
To Previous Page IconTo Previous Page
To Previous Page IconTo Previous Page
Loading...
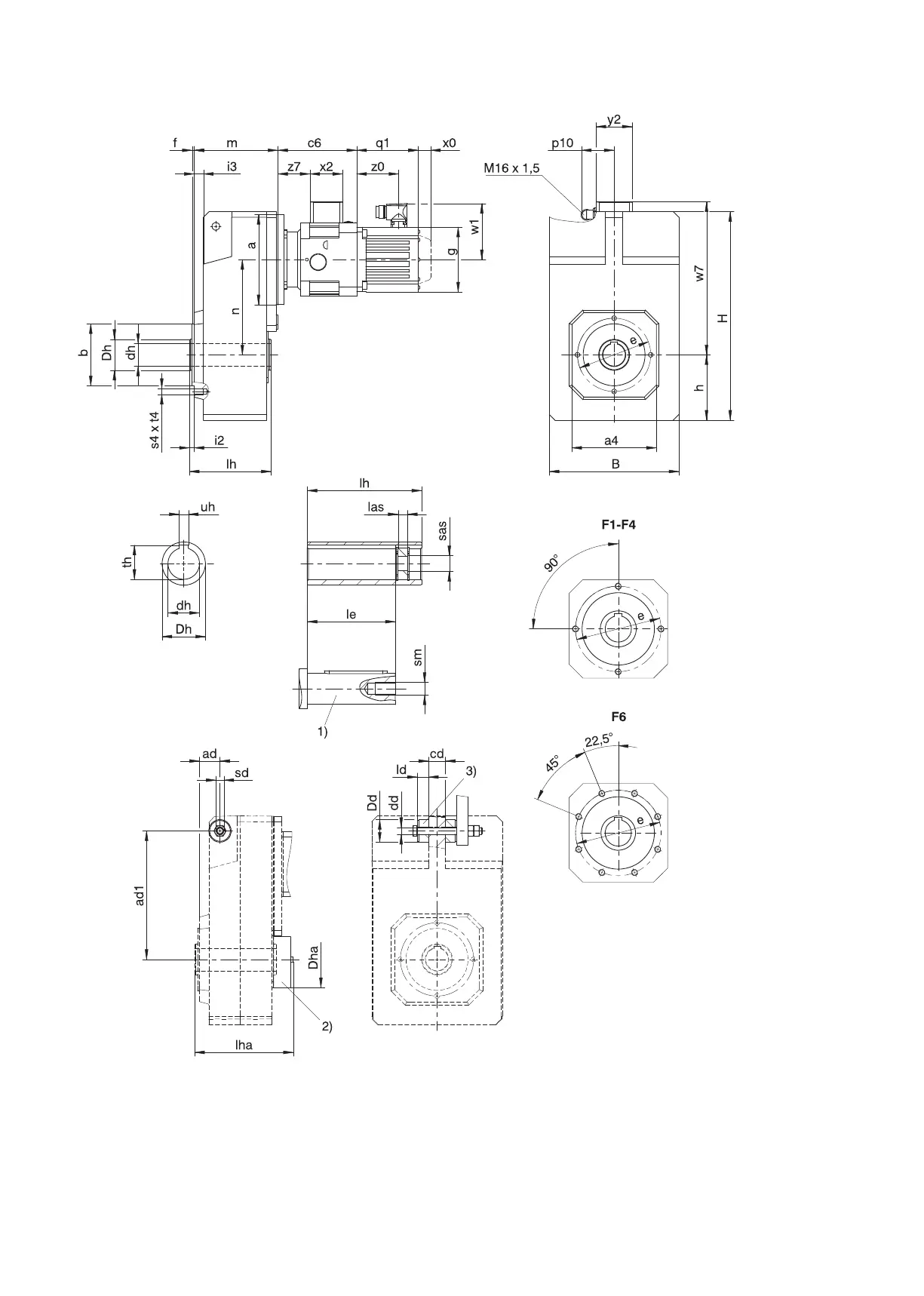
6.3.1 A shaft design (hollow shaft), G housing design (pitch circle diameter)
q1 Applies to motors with brake. x0 Applies to encoders using an optical measuring method.
w1 Different for the One Cable Solution (OCS), see the chap-
ter [}11.4]
1) The length of the machine shaft must be at least 2.2 x
dh and the length of the feather key must be at least 2 x
dh.
2) Cover (optional) 3) Rubber buffer for torque arm bracket (optional). Dimen-
sion Dd = outer diameter of the rubber buffer when not
tensioned.
6.3 Dimensional drawings 6 Foffset helical geared motors
148

Table of Contents