EasyManua.ls Logo

Stober PK - Page 48

Stober PK
460 pages
Print Icon
To Next Page IconTo Next Page
To Next Page IconTo Next Page
To Previous Page IconTo Previous Page
To Previous Page IconTo Previous Page
Loading...
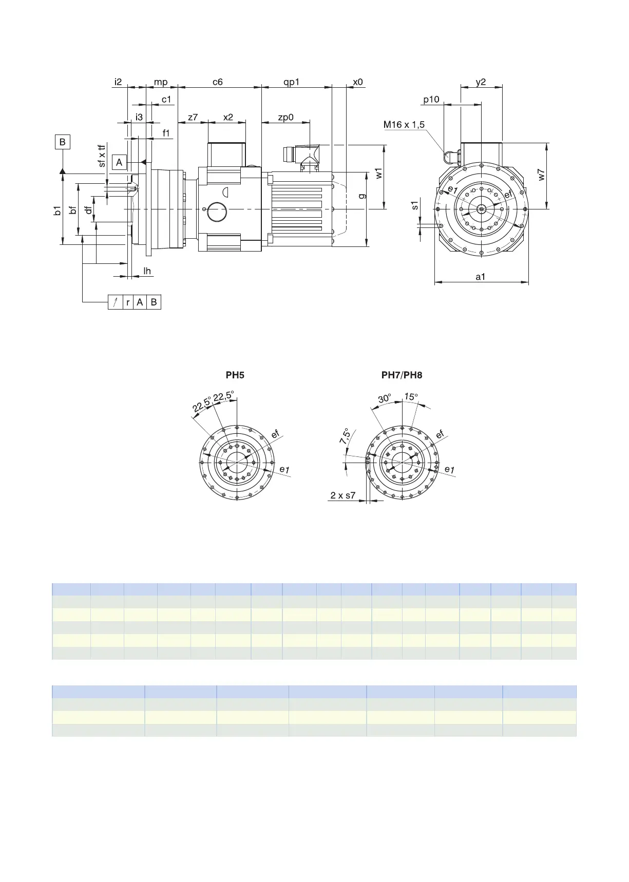
3.3.1 F shaft design (flange shaft)
qp1 Applies to motors with brake. x0 Applies to encoders using an optical measuring method.
w1 Different for the One Cable Solution (OCS), see the chap-
ter [}11.4]
Dimensions of gear units
Type
a1
b1
bf
c1
df
e1
ef
f1 i2 i3 lh r
s1
s7 sf tf
PH531 145
h7
110
h7
80
h7
8 40.0
H6
135 63.0 12 29.0 23.0 6 0.020 5.5 M6 11
PH731 179
h7
140
h7
100
h7
10 50.0
H6
168 80.0 12 38.0 32.0 6 0.025 6.6 M8 14
PH732 179
h7
140
h7
100
h7
10 50.0
H6
168 80.0 12 38.0 32.0 6 0.025 6.6 M8 14
PH831 247
h7
200
h7
160
h7
12 80.0
H6
233 125.0 15 50.0 42.0 8 0.030 9.0 M10 M10 18
PH832 247
h7
200
h7
160
h7
12 80.0
H6
233 125.0 15 50.0 42.0 8 0.030 9.0 M10 M10 18
Motor adapter dimensions
Type c6 p10 w7 x2 y2 z7
PH_MB23 129 59 102.9 58 64 46.5
PH_MB33 147 59 115.4 58 64 57.0
PH_MB43 176 59 134.9 58 64 75.5
3.3 Dimensional drawings 3 PHplanetary geared motors
48

Table of Contents