EasyManua.ls Logo

AIREDALE DeltaChill - Page 45

AIREDALE DeltaChill
302 pages
Print Icon
To Next Page IconTo Next Page
To Next Page IconTo Next Page
To Previous Page IconTo Previous Page
To Previous Page IconTo Previous Page
Loading...
Installation
Chillers
DeltaChill™Air Cooled and FreeCool
45
Chiller Technical Manual 7267818 V1.13.0_01_2018
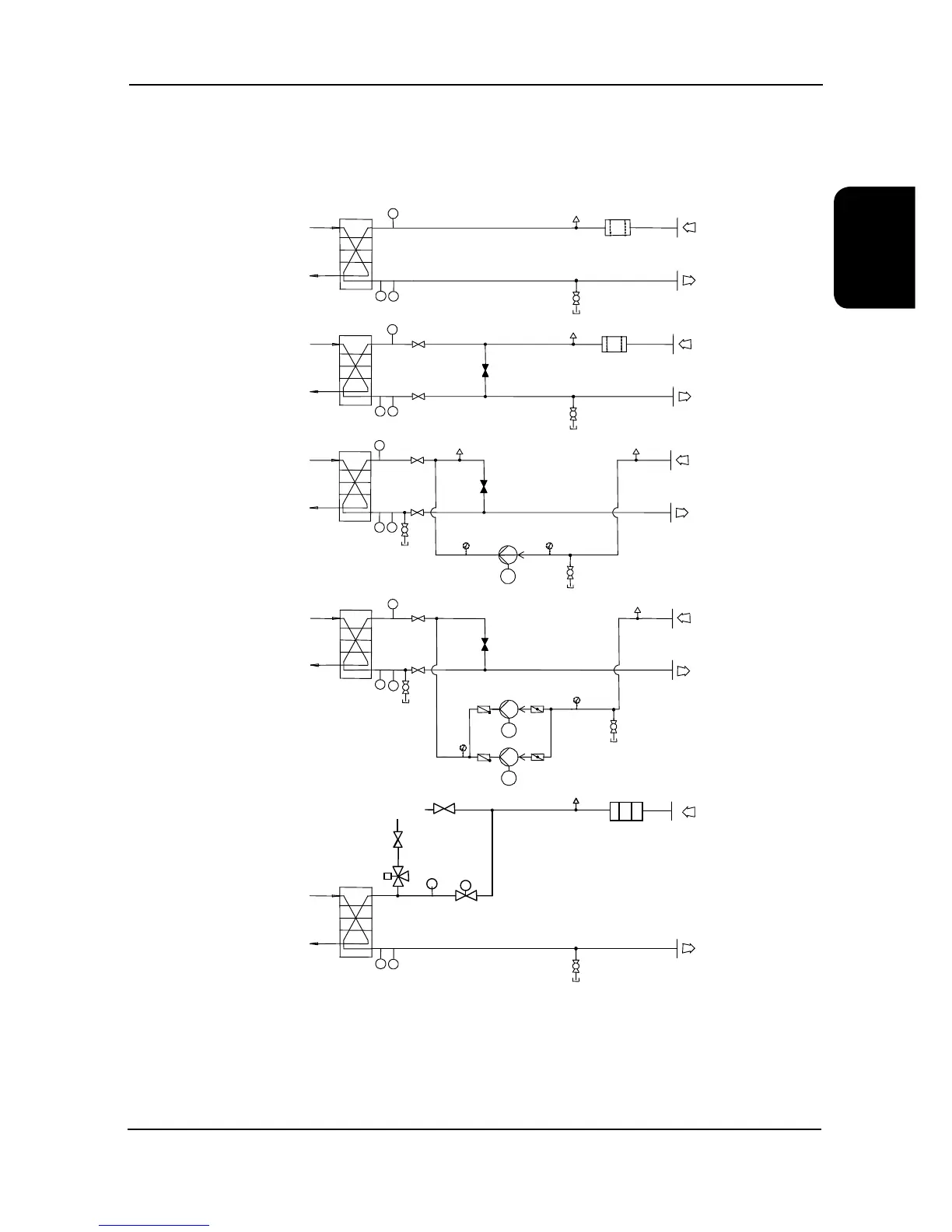
Installation Data
Optional Flow Schemes
Key: 1 Water In
2 Water Out
Filter Only Scheme -
Comprises:
Standard Circuit plus:
Optional Extras:
20 Mesh Water Filter
FS
TT
TT
2
1
Filter - Flushing Bypass
Scheme - Comprises:
Standard Circuit plus:
Optional Extras:
20 Mesh Water Filter
Flushing Bypass
Circuit
TT
1
2
TT
FS
Single Head Pump Scheme
- Comprises:
Standard Circuit plus:
Optional Extras:
20 Mesh Water Filter
(supplied loose)
Flushing Bypass
Circuit
Single Head Pump
TT
TT
1
2
M
FS
Single Head Run/Standby
Pump Scheme - Comprises:
Standard Circuit plus:
Optional Extras:
20 Mesh Water Filter
(supplied loose)
Flushing Bypass
Circuit
Single Head Run/
Standby Pump
TT
TT
1
2
M
M
FS
Standard Free Cool Circuit
Incorporating
Double Regulating
Valve
Mixing Valve
20 Mesh Water Filter
(supplied loose)
F C
FS
TT
TT
2
1
The 20 Mesh water lter is supplied loose when

Table of Contents

Related product manuals