EasyManua.ls Logo

AIREDALE DeltaChill - Page 46

AIREDALE DeltaChill
302 pages
Print Icon
To Next Page IconTo Next Page
To Next Page IconTo Next Page
To Previous Page IconTo Previous Page
To Previous Page IconTo Previous Page
Loading...
Installation
Chillers
DeltaChill™ Air Cooled and FreeCool
46
Chiller Technical Manual 7267818 V1.13.0_01_2018
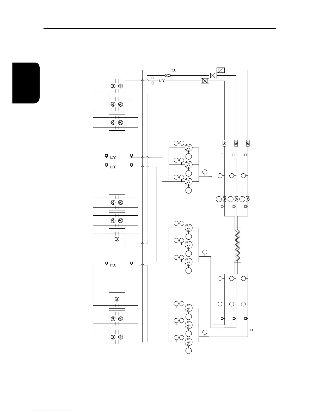
Installation Data
Refrigeration Schematic
S
PT
PT
PT
S
S
S
TI
TI
TI
TCE
TCE
TCE
S
S
S
S
PT
S
PT
S
PT
M M
TS
TS
TS
PSH PSH PSH
PSL
S
S
S
S
M
S
S
M
M M
TS
TS
TS
PSH PSH
PSL
S
S
M
M M
TS
TS
TS
PSH PSH PSH
PSL
BALL
VALV E
CIRCUIT 1 CIRCUIT 2
CONDENSER COIL
HP
SWITCH
TEMP.
SENSOR
PSH
HP
SWITCH
TEMP.
SENSOR
HP
SWITCH
TEMP.
SENSOR
TEMP.
SENSOR
HP
SWITCH
LP
SWITCH
LP
SWITCH
LOW PRESSURE
TRANSDUCER
TEMPERATURE
SENSOR
LOW PRESSURE
TRANSDUCER
TEMPERATURE
SENSOR
LOW PRESSURE
TRANSDUCER
TEMPERATURE
SENSOR
EVAPORATOR
5/16" SCHRADER
HP
SWITCH
TEMP.
SENSOR
TEMP.
SENSOR
HP
SWITCH
HP
SWITCH
TEMP.
SENSOR
HP
SWITCH
TEMP.
SENSOR
LP
SWITCH
HIGH PRESSURE
TRANSDUCER
ELECTRONIC
EXPANSION VALVE
ELECTRONIC
EXPANSION VALVE
HIGH PRESSURE
TRANSDUCER
FILTER
DRIERS
HP
SWITCH
TEMP.
SENSOR
BALL
VALV E
CONDENSER COIL
BALL
VALV E
BALL
VALV E
CIRCUIT 3
CONDENSER COIL
SIGHT
GLASS
SIGHT
GLASS
HIGH PRESSURE
TRANSDUCER
ELECTRONIC
EXPANSION VALVE
SIGHT
GLASS
Scroll
Compressors
Scroll
Compressors
Scroll
Compressors
Schematic shows a triple Circuit machine

Table of Contents

Related product manuals