EasyManua.ls Logo

Formax PowerMax 3000 - Page 334

Default Icon
408 pages
Print Icon
To Next Page IconTo Next Page
To Next Page IconTo Next Page
To Previous Page IconTo Previous Page
To Previous Page IconTo Previous Page
Loading...
M4-50 031914
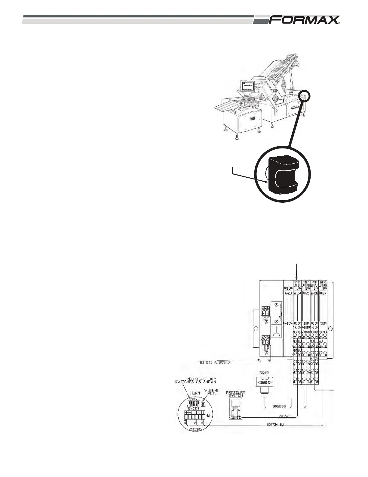
AR24 PNP Input Module: The AR24 Input
Module receives input signals from the SP1
Pressure Switch when there is sufficient air
pressure to operate the machine and the SQ19
Loaf Lift Saddle Switch. The AR24 Module sends
this information through the AR23 Gateway
Module to the Computer over the Profibus Cable.
(Illustration 122)
SQ19 Loaf Load Touch Switch: The SQ19 Loaf
Load Touch Switch is a finger operated “touch”
switch that signals the Computer that product is
loaded on the Loaf Tray and is ready to be raised
and gripped.
Terminal 11 - 24 VDC Input signal from the
SQ19 Loaf Load Touch Switch
when the Switch is activated to
raise the Loaf Lift and load the
product. LED 11 will be lit.
Terminal 12 - Common Wire to SQ19 Loaf
Load Switch.
Terminal 13 - 24 VDC Supply Voltage to
SQ19 used to send the Input
signal when the Switch is
activated.
SP1 Pressure Switch: The AR25 Input Module
supplies 24 VDC to the SP1 Pressure Switch and
monitors the “Low” Air Pressure Input Signal.
(Illustration 122) If the Air Pressure falls below
2.4 bar (35 PSI), the SP1 Pressure Switch sends
a 24 VDC Warning Signal to the Computer
through the AR23 Gateway Module over the
Profibus Cable. The Computer will shut off the
Slicer and display an “error” message on the
Touchscreen.
Terminal 11 - 24 VDC Input Signal indicating
Air Pressure is above 2.4 bar
(35 PSI). LED 11 will be lit.
Terminal 12 - Common Wire to SP1
Pressure Switch.
Terminal 13 - 24 VDC Supply Voltage to SP1
Pressure Sensor. LED 13 will
be lit.
LOAD LOAF
SADDLE
SWITCH
ILLUSTRATION 121
ILLUSTRATION 122
AR24 PNP INPUT MODULE

Table of Contents