EasyManua.ls Logo

Formax PowerMax 3000 - Page 335

Default Icon
408 pages
Print Icon
To Next Page IconTo Next Page
To Next Page IconTo Next Page
To Previous Page IconTo Previous Page
To Previous Page IconTo Previous Page
Loading...
031914 M4-51
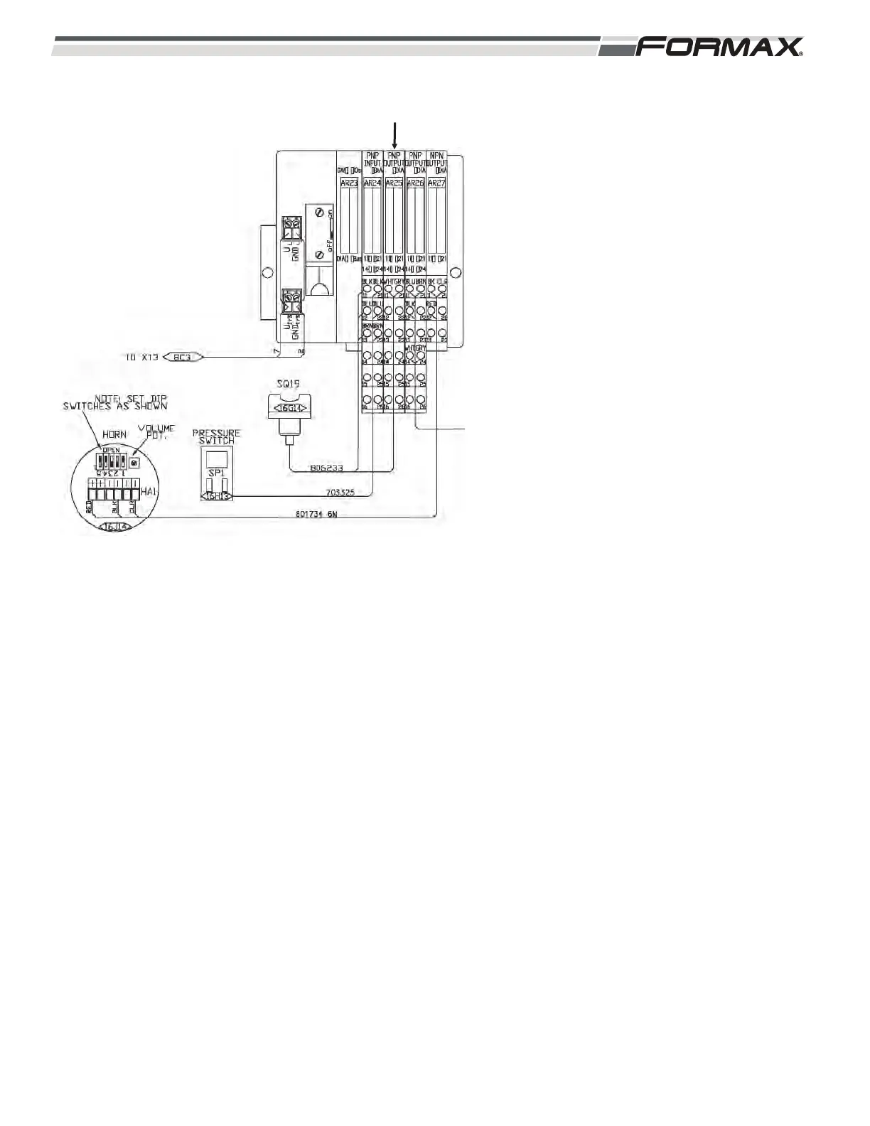
AR25 PNP Output Module: The AR25 Output
Module sends output signals to operate the
green and red LEDs in the SQ19 Loaf Lift
Saddle Switch. (Illustration 123) The Computer
sends the control information through the AR23
Gateway Module to the AR25 Module over the
Profibus Cable.
Terminal 11 - 24 VDC Output signal to the
SQ19 Loaf Load Touch
Switch, that turns “on” the
red LED, when it is unsafe to
load product in the Loaf Lift
Tray. LED 11 will be lit.
Terminal 21 - 24 VDC Output signal to the
SQ19 Loaf Load Touch
Switch, that turns “on” the
green LED, when it is safe to
load product in the Loaf Lift
Tray. LED 21 will be lit.
ILLUSTRATION 123
AR25 PNP INPUT MODULE

Table of Contents