EasyManua.ls Logo

Hitachi H8/500 Series - Page 431

Hitachi H8/500 Series
459 pages
To Next Page IconTo Next Page
To Next Page IconTo Next Page
To Previous Page IconTo Previous Page
To Previous Page IconTo Previous Page
Loading...
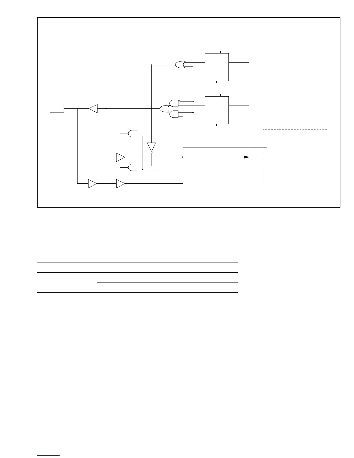
Table C-7 (e) Port 7 Port Read (Pin P77)
Setting Port Read Data
Output enable Output compare output value
DDR = 0 Pin value
DDR = 1 DR value
RP7
P7
7
WP7
Free-running timer module
Output enable
Output compare output
WP7D:
WP7:
RP7:
Write to P7DDR
Write to Port 7
Read Port 7
Internal data bus (PDB15)
C
R
QD
P7 DR
7
C
R1
QD
P7 DDR
7
Reset
Reset
WP7D
Output disable
Figure C-7 (e) Schematic Diagram of Port 7, Pin P77
422
Downloaded from Elcodis.com electronic components distributor

Table of Contents

Related product manuals