EasyManua.ls Logo

HYBREX G1E - Optional Cabling; Door Switch (Relay ) Connection; Sensor Connection; Music on Hold Connection - G1 E

Default Icon
219 pages
Print Icon
To Next Page IconTo Next Page
To Next Page IconTo Next Page
To Previous Page IconTo Previous Page
To Previous Page IconTo Previous Page
Loading...
G1E Programming Manual
49
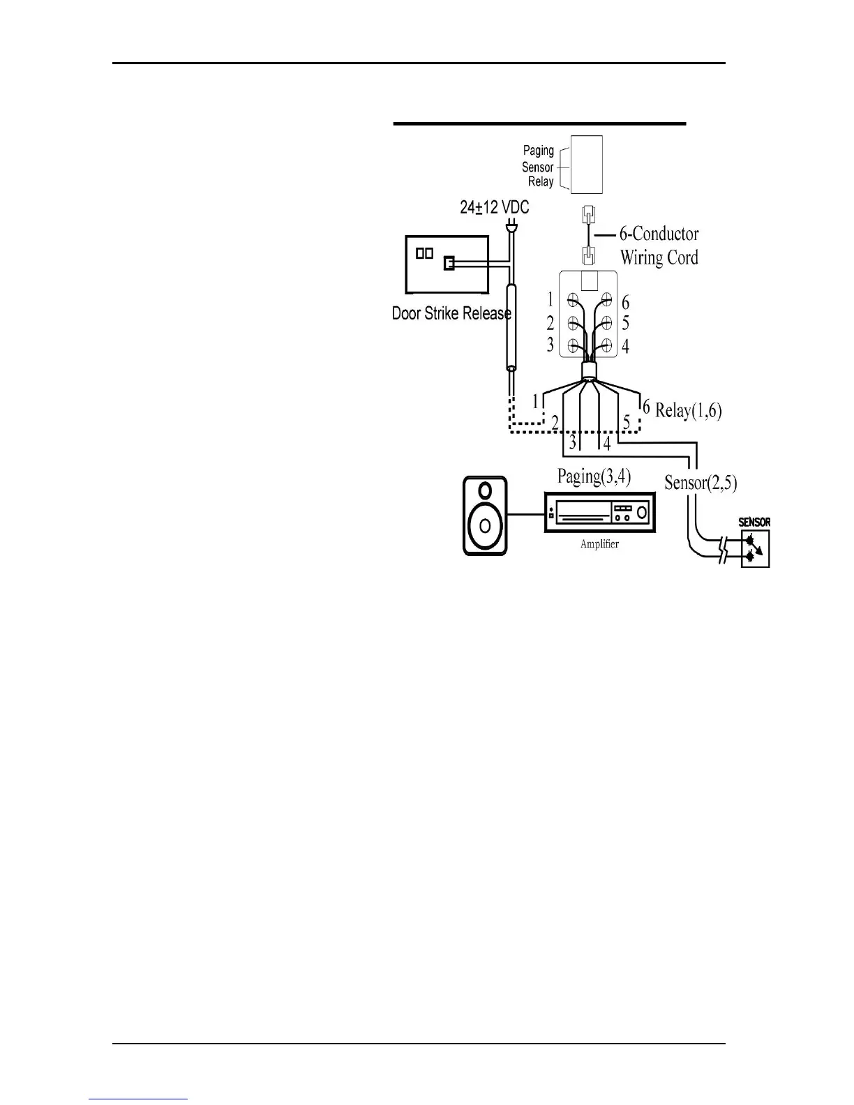
Optional Cabling
Connect a 6 conductor
mounting cord from the KSU to
a RJ-25 modular block.
Door Switch (Relay)
Connection
z One Door Switch (24+-
12VDC) may be used on
the G1E system.
z 2-conductor wiring is
required.
z Connect the door switch to
pins 1 and 6 of the RJ-11
connector.
z If more than one door
opening is needed then
use the relays within the
ACP or DPU unit.
Sensor Connection
z The Sensor connector on
G1E may be used for the
External Sensor input.
z The sensor may be
configured for normally
open or normally closed
operation.
z 2-conductor wiring is
required.
z Connect the sensor to pins
2 and 5 of the RJ-11
connector.
z Refer to System
Programming Mode 39 --
Sensor Assignment.
Paging Output (G1E+)
z The Paging output is available on G1E+ only.
z The Paging output is available on pins 3 and 4.
Refer to Illustration Door Switch / Sensor
Music on Hold Connection – G1E
Connect an external music source to an SLT Port via an approved line isolation unit.
Music on Hold Connection – G1E+
Connect the (optional) external music source to the external Music" input labelled on the KSU.
Use a 1/8” mini plug to connect the music source to the KSU via an approved line isolation unit.
Multiple Music on Hold Connections
Connect extra external music sources to SLT Ports via an approved line isolation unit
Refer to programming manual to tenant multiple music sources.
Door switch/Sensor

Table of Contents

Related product manuals