EasyManua.ls Logo

Kollmorgen AKD series - Creating Motion

Kollmorgen AKD series
216 pages
Print Icon
To Next Page IconTo Next Page
To Next Page IconTo Next Page
To Previous Page IconTo Previous Page
To Previous Page IconTo Previous Page
Loading...
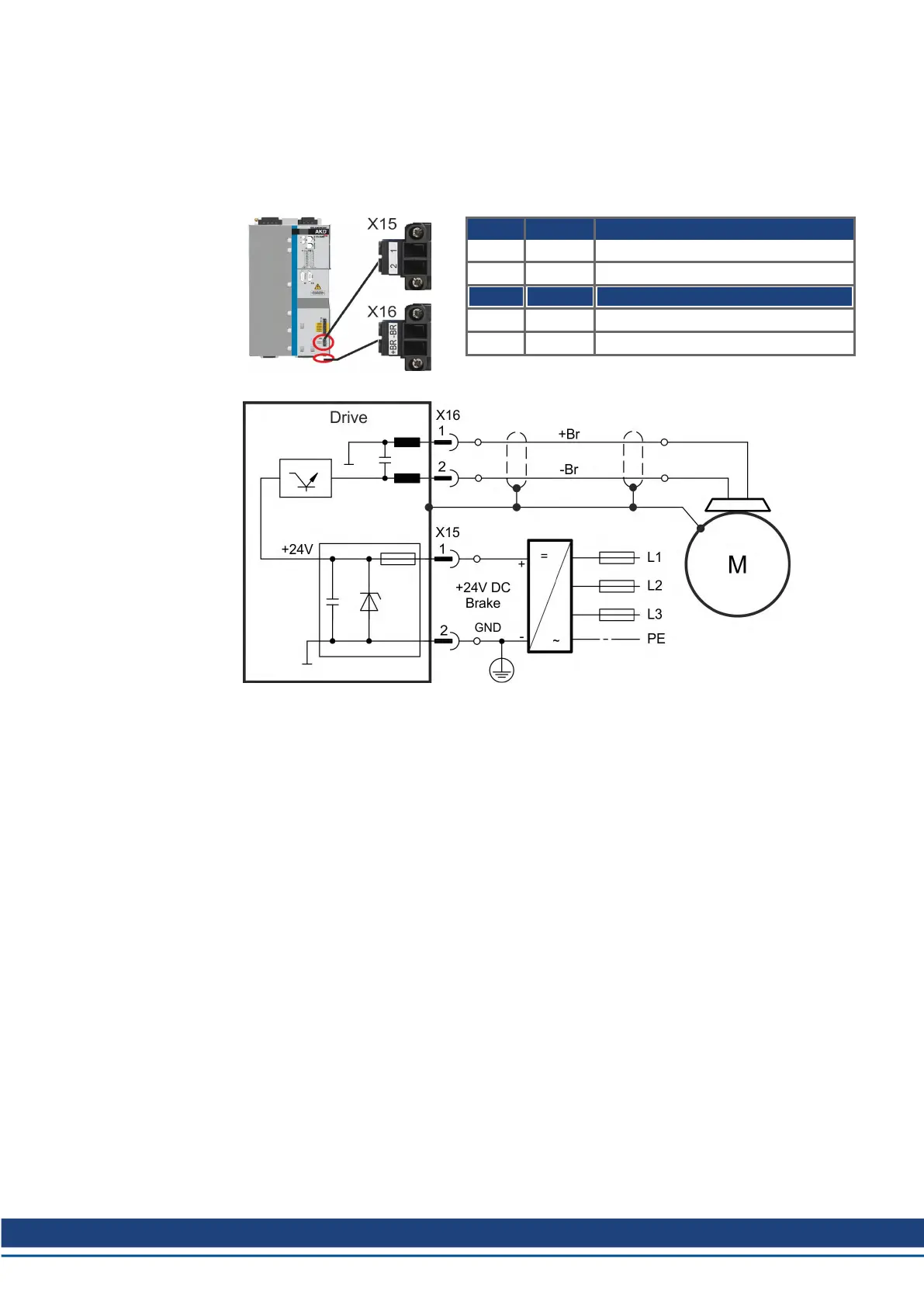
9.11.2 AKD-x048, brake connectors X15, X16
AKD-x048 the brake voltage supply is separated from the drive auxiliary voltage. Maximum
brake current is 2 A. Use X15 for 24 VDC ±10% supply input and X16 to connect the motor
holding brake.
X15 Signal Description
1 24V 24V supply voltage, brake
2 GND GND, brake
X16 Signal Description
1 +BR Motor holding brake, positive
2 -BR Motor holding brake, negative
AKD Installation | 9 Electrical Installation
Kollmorgen | kdn.kollmorgen.com | October 2017 119

Table of Contents

Other manuals for Kollmorgen AKD series

Related product manuals