EasyManua.ls Logo

Krone Big Pack 4x4 - Working hydraulics for Medium Version Electronics

Krone Big Pack 4x4
332 pages
Print Icon
To Next Page IconTo Next Page
To Next Page IconTo Next Page
To Previous Page IconTo Previous Page
To Previous Page IconTo Previous Page
Loading...
Appendix
304
Pos: 48 /BA/Anhang/ Großpackenpresse/Arbei tshydraulik für Medium-Elektronik HS Baur eihe (2013-11-05 10:56: 48) @ 65\mod_13003507 46320_78.docx @ 583670 @ 2 @ 1
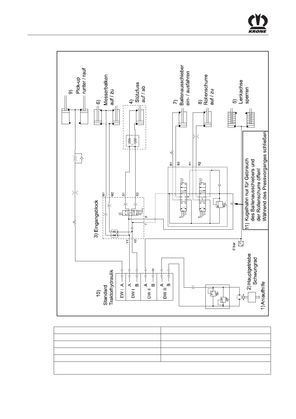
17.4 Working hydraulics for Medium Version Electronics
Fig.213
1. Start-up aid 2. Main gearbox flywheel
3. Input block 4. Parking jack up / down
5. Locking the steering axle 6. Blade bar open/closed
7. Bale ejector deploy / retract 8. Roller chute open / closed
9. Pick-up down / up 10. Standard tractor hydraulics
11. Open ball valve only to use the bale ejector and the roller chute! Close during baling
process.
Pos: 49 /BA/----- ----------Sei tenumbruch-------- -------- @ 0\mod_1196175311 226_0.docx @ 4165 @ @ 1

Table of Contents

Related product manuals