EasyManua.ls Logo

Lifan 620 - Headlight Checking Circuit

Lifan 620
364 pages
Print Icon
To Next Page IconTo Next Page
To Next Page IconTo Next Page
To Previous Page IconTo Previous Page
To Previous Page IconTo Previous Page
Loading...
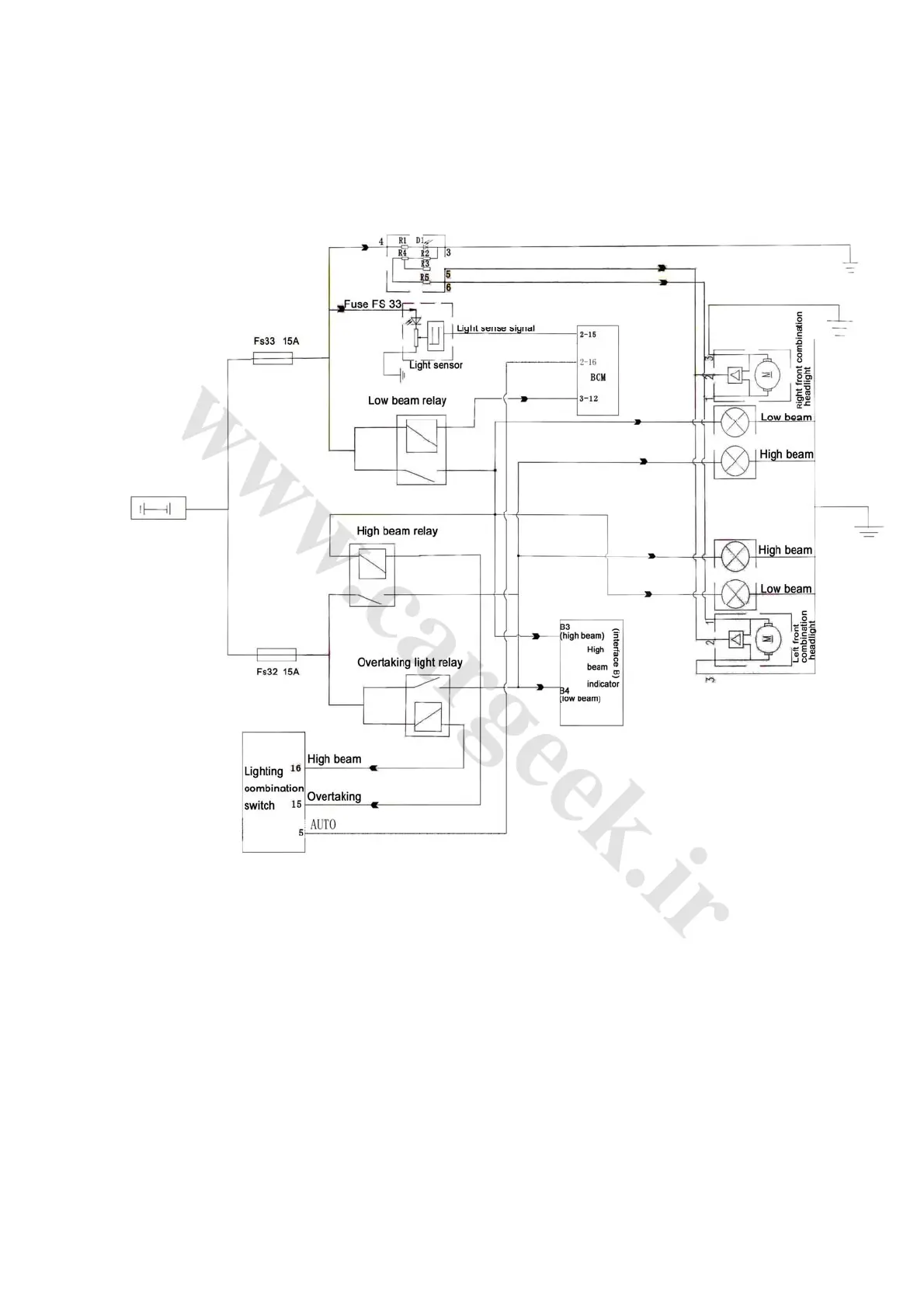
1.2 Headlight checking circuit (Fig. 4-62)
Fig. 4-62
236
www.cargeek.ir
www.CarGeek.ir
www.cargeek.ir

Table of Contents

Related product manuals