EasyManua.ls Logo

Lifan 620 - Check Circuit

Lifan 620
364 pages
Print Icon
To Next Page IconTo Next Page
To Next Page IconTo Next Page
To Previous Page IconTo Previous Page
To Previous Page IconTo Previous Page
Loading...
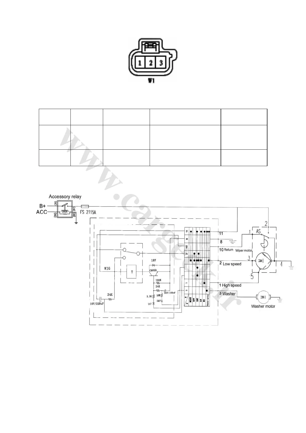
Fig. 4-99
Table 4-17
Testing
terminal
Wire color
Terminal
description
Test condition Standard value
1body
G/B
Power input of
washer motor
Ignition switch is at ON; right
combination switch is at
washing position, always
1014V
2body
B
Washer motor
grounding
Always
1
2. Check circuit as shown in Fig. 4-100
Fig. 4-100
250
www.cargeek.ir
www.CarGeek.ir
www.cargeek.ir

Table of Contents

Related product manuals