EasyManua.ls Logo

Sel SEL-421 - Zone Timers

Sel SEL-421
704 pages
Print Icon
To Next Page IconTo Next Page
To Next Page IconTo Next Page
To Previous Page IconTo Previous Page
To Previous Page IconTo Previous Page
Loading...
R.1.63
Date Code 20111215 Reference Manual SEL-421 Relay
Protection Functions
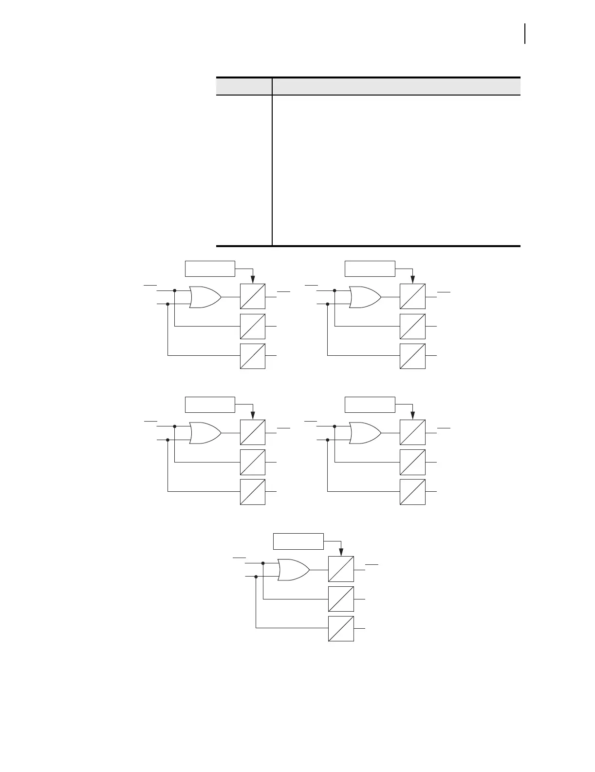
Zone Time Delay
Figure 1.44 Zone Timers
Z1GT Zone 1 ground distance, time delayed
Z2GT Zone 2 ground distance, time delayed
Z3GT Zone 3 ground distance, time delayed
Z4GT Zone 4 ground distance, time delayed
Z5GT Zone 5 ground distance, time delayed
Z1T Zone 1 phase or ground distance, common time delayed
Z2T Zone 2 phase or ground distance, common time delayed
Z3T Zone 3 phase or ground distance, common time delayed
Z4T Zone 4 phase or ground distance, common time delayed
Z5T Zone 5 phase or ground distance, common time delayed
Table 1.49 Zone Time Delay Relay Word Bits (Sheet 2 of 2)
Name Description
Relay
Word
Bits
Relay
Word
Bits
Relay
Word
Bits
Relay
Word
Bits
Relay
Word
Bits
Relay
Word
Bits
Relay
Word
Bits
Relay
Word
Bits
Relay
Word
Bits
Relay
Word
Bits
Z1D
Z1T
M1PT
Z1GT
M1P
Z1G
Suspend Timing
Zone 1 Delay Timer Logic
0
CYC
Z1PD
0
CYC
Z1GD
0
CYC
Z2D
Z2T
M2PT
Z2GT
M2P
Z2G
Suspend Timing
Zone 2 Delay Timer Logic
0
CYC
Z2PD
0
CYC
Z2GD
0
CYC
Z3D
Z3T
M3PT
Z3GT
M3P
Z3G
Suspend Timing
Zone 3 Delay Timer Logic
0
CYC
Z3PD
0
CYC
Z3GD
0
CYC
Z4D
Z4T
M4PT
Z4GT
M4P
Z4G
Suspend Timing
Zone 4 Delay Timer Logic
0
CYC
Z4PD
0
CYC
Z4GD
0
CYC
Z5D
Z5T
M5PT
Z5GT
M5P
Z5G
Suspend Timing
Zone 5 Delay Timer Logic
0
CYC
Z5PD
0
CYC
Z5GD
0
CYC

Table of Contents

Other manuals for Sel SEL-421

Related product manuals