EasyManua.ls Logo

Sel SEL-421 - Single Circuit Breaker with Current Polarizing Source; ESS:= Y, Tapped Line

Sel SEL-421
704 pages
Print Icon
To Next Page IconTo Next Page
To Next Page IconTo Next Page
To Previous Page IconTo Previous Page
To Previous Page IconTo Previous Page
Loading...
R.1.13
Date Code 20111215 Reference Manual SEL-421 Relay
Protection Functions
Current and Voltage Source Selection
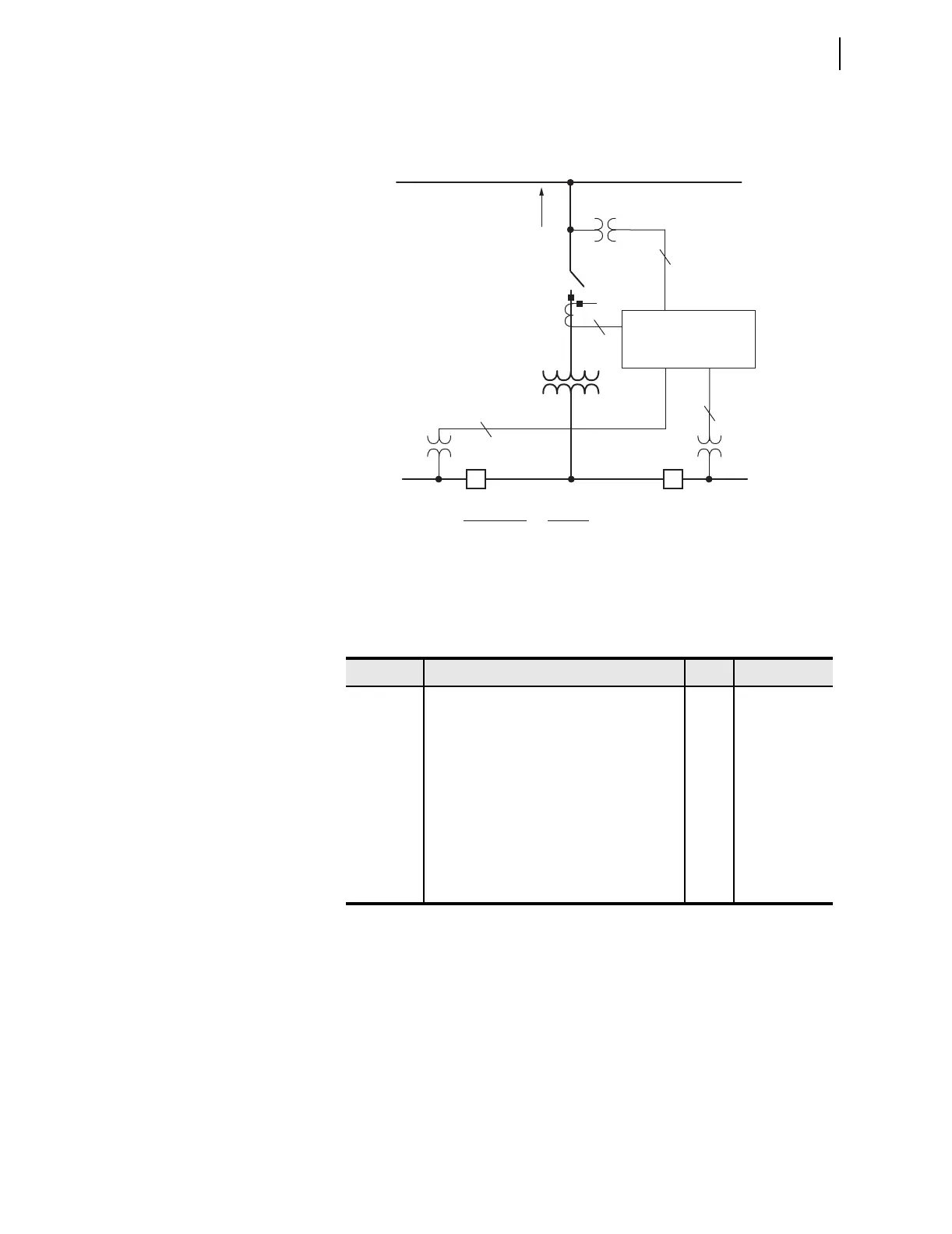
Figure 1.10 illustrates the tapped overhead transmission line with an MOD
(motor operated disconnect) on the high side of a power transformer and two
circuit breakers on the low side.
Figure 1.10 ESS := Y, Tapped Line
Single Circuit Breaker With Current Polarizing Source
Figure 1.11 shows a single circuit breaker situated by an autotransformer. The
SEL-421 uses the delta-connected tertiary as a current polarizing source for
the zero-sequence current-polarized directional element 32I. For example,
connect to current to input IAX (set IPOL := IAX).
Tabl e 1 . 10 ES S := Y, Ta ppe d Lin e
Setting Description Entry Comments
NUMBK Number of Circuit Breakers in Scheme (1, 2) 2
LINEI Line Current Source (IW, COMB) IW
ALINEI Alternate Current Source (IX, NA) NA
ALTI Alternate Current Source (SEL
OGIC Equation) NA Hidden
a
a
Hidden when preceding setting is NA.
BK1I Breaker 1 Current Source (IW, IX, NA) NA
BK2I Breaker 2 Current Source (IX, COMB, NA) NA
IPOL Polarizing Current (IAX, IBX, ICX, NA) NA
ALINEV Alternate Line Voltage Source (VZ, NA) NA Default
ALTV Alternate Voltage Source (SEL
OGIC Equation) NA Hidden
(HV)
(LV)
MOD
SEL-421 Relay
IW
VY
1
1
3
3
VAZ
VBZ
CB2CB1
Analog Input
IW
VY
VAZ
VBZ
Function
Line protection
Line protection
Synchronism check Circuit Breaker 1
Synchronism check Circuit Breaker 2
Tripping
Direction

Table of Contents

Other manuals for Sel SEL-421

Related product manuals