EasyManua.ls Logo

Sel SEL-421 - Switch-Onto-Fault Logic; Selectable Inverse-Time Overcurrent Element Logic Diagram; Circuit Breaker Opened SOTF Logic

Sel SEL-421
704 pages
Print Icon
To Next Page IconTo Next Page
To Next Page IconTo Next Page
To Previous Page IconTo Previous Page
To Previous Page IconTo Previous Page
Loading...
R.1.84
SEL-421 Relay Reference Manual Date Code 20111215
Protection Functions
Switch-Onto-Fault Logic
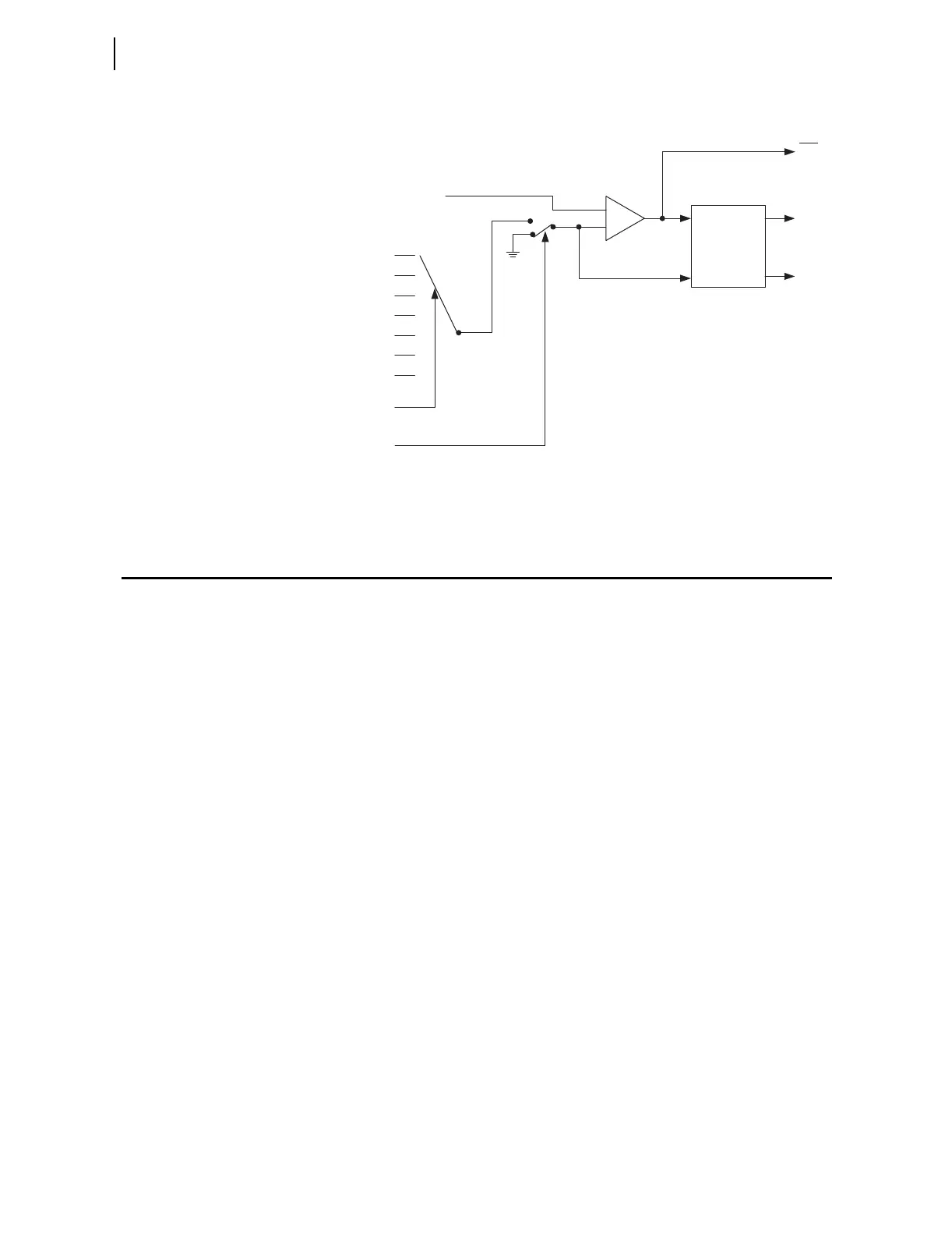
Figure 1.58 Selectable Inverse-Time Overcurrent Element Logic Diagram
Switch-Onto-Fault Logic
The switch-onto-fault (SOTF) logic permits specified protection elements to
trip for a settable time after the circuit breaker closes. Specify these elements
in the SEL
OGIC control equation TRSOTF (switch-onto-fault trip). The SOTF
logic works in two stages: validating a possible SOTF condition and initiating
(enabling) the SOTF protection duration.
The relay validates an SOTF condition by sensing the following:
Upon circuit breaker opening: detection of a pole open
condition (3PO or SPO) when setting 52AEND (52A Pole
Open Qualifying Time Delay) is other than OFF
Upon circuit breaker closing: detection of a pole open
condition (3PO or SPO) when setting CLOEND (CLSMON or
Single-Pole Open Delay) is other than OFF
Select either or both methods for the validating procedure.
The relay initiates SOTF protection at these corresponding instances:
Circuit breaker opening: 52AEND timer timeout
Circuit breaker closing: CLOEND time timeout and SELOGIC
control equation CLSMON assertion
Circuit Breaker
Opened SOTF Logic
Set ESOTF to Y and set 52AEND to other than OFF to enable the circuit
breaker-opened SOTF logic. When the circuit breaker opens, the 52AEND
timer operates when one or three poles open (SPO or 3PO assert). The logic
includes the SPO condition if setting ESPSTF := Y (see SOTF Options).
When the 3PO or SPO condition lasts longer than the 52AEND timer, the
relay asserts Relay Word bit SOTFE (SOTF Enable).
+
51SkT
51SkP
(Setting)
51SkTC
(SEL
OGIC
Setting)
51Sk
Relay
Word
Bits
51SkR
k = 1, 2, or 3
n = 1, 2, or L
IAn
IMAXn
I1L
3I2L
3I0n
51SkO
(Setting)
IBn
ICn
IMAXn = MAX (IAn, IBn, ICn)
51 Programmable
Time-Overcurrent
Element

Table of Contents

Other manuals for Sel SEL-421

Related product manuals