EasyManua.ls Logo

Sel SEL-421 - Synchronism-Check Logic Outputs; Synchronism-Check Settings

Sel SEL-421
704 pages
Print Icon
To Next Page IconTo Next Page
To Next Page IconTo Next Page
To Previous Page IconTo Previous Page
To Previous Page IconTo Previous Page
Loading...
R.2.53
Date Code 20111215 Reference Manual SEL-421 Relay
Auto-Reclosing and Synchronism Check
Synchronism Check
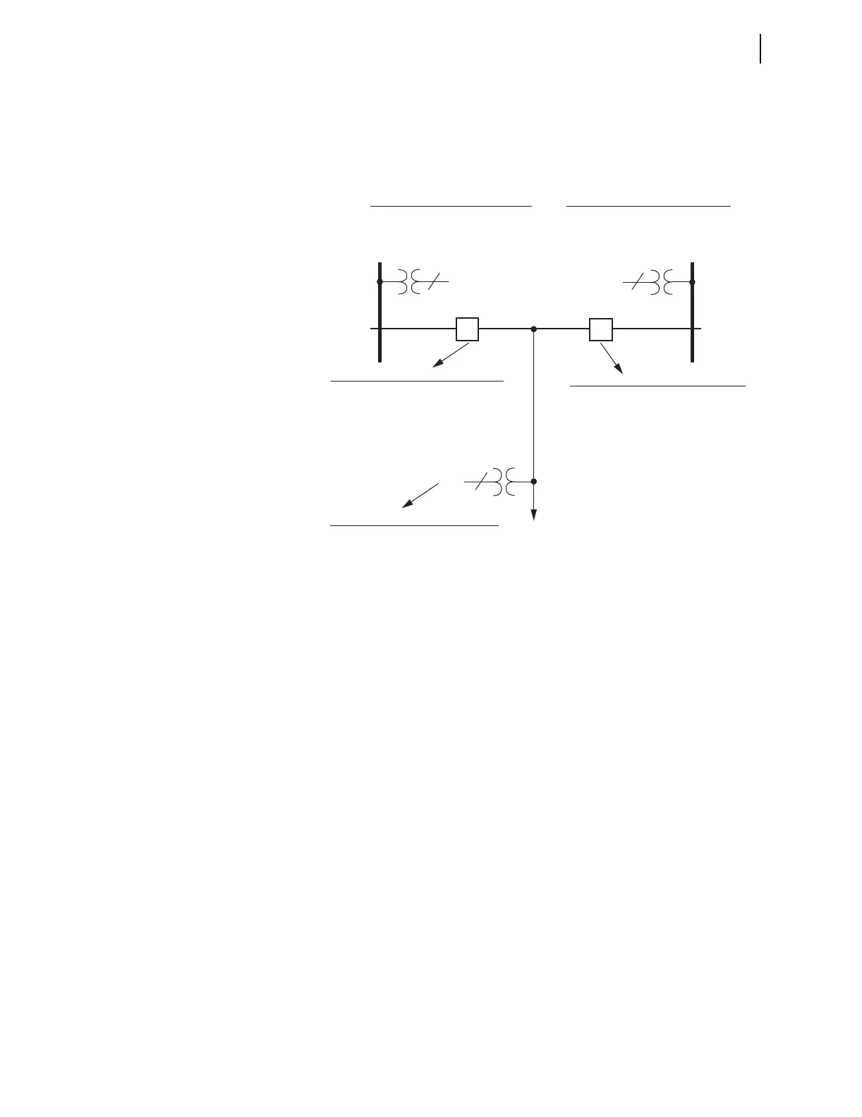
Figure 2.22 shows the correspondence between the synchronism-check
settings and the two-circuit breaker application example. All of these settings
are listed in Section 10: Settings. The following subsections explain these
settings and include an explanation of Alternative Synchronism-Check
Voltage Source 2 settings (see Figure 2.32).
Figure 2.22 Synchronism-Check Settings
Synchronism-Check
Logic Outputs
Figure 2.23 shows the correspondence between synchronism-check logic
outputs (Relay Word bits) and the two-circuit breaker arrangement. These
Relay Word bits assert to logical 1 (e.g., 59VP equals logical 1) if true and
deassert to logical 0 (e.g., 59VS1 equals logical 0) if false. Table 2.26 lists
these Relay Word bits.
Bus 2
Bus 1
Line
BK2
BK1
Synchronism-Check Voltage Source 1
SYNCS1 — designate voltage input
KS1M — adjust magnitude to reference
KS1A — adjust angle to reference
Synchronism-Check Voltage Reference
SYNCP — designate voltage input
25VL — voltage window/low threshold
25VH — voltage window/high threshold
Synchronism-Check Across Breaker BK2
25SFBK2 — max. slip frequency
ANG1BK2 — max. angle difference 1
ANG2BK2 — max. angle difference 2
TCLSBK2 — breaker close time
BSYNBK2 — block synch check (SEL
OGIC)
Synchronism-Check Across Breaker BK1
25SFBK1 — max. slip frequency
ANG1BK1 — max. angle difference 1
ANG2BK1 — max. angle difference 2
TCLSBK1 — breaker close time
BSYNBK1 — block synch check (SEL
OGIC)
Synchronism-Check Voltage Source 2
SYNCS2 — designate voltage input
KS2M — adjust magnitude to reference
KS2A — adjust angle to reference
1
3
1
. . .
. . .
. . .

Table of Contents

Other manuals for Sel SEL-421

Related product manuals