EasyManua.ls Logo

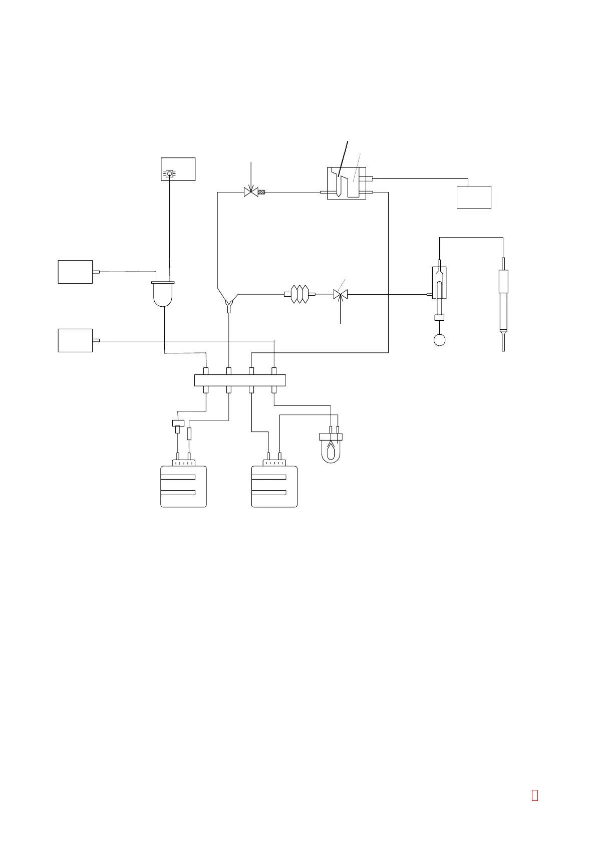
SYSMEX CA-500 - Tubing Diagram

SYSMEX CA-500
259 pages
Print Icon
To Next Page IconTo Next Page
To Next Page IconTo Next Page
To Previous Page IconTo Previous Page
To Previous Page IconTo Previous Page
Loading...
CA-500 Series S/M 2-1 Revised December 2001
SECTION 2 HYDRAULIC/MECHANICAL SYSTEMS
2.1 TUBING DIAGRAM
Trap Chamber
BBSB
M
TF1
(1600)
Si3
(12)
Si2
(530)
LFAA
1201518H
TF2 (450)
SV No.14
TA (250)
TF1
(200)
Si2
(200)
Si2Si2
Si2
Si2
Si2
(240)
Si1
(620)
TA
(160)
TA
(520)
TA
(100)
TA
(80)
MAIN (PCNo.6362)
Si4
(95)
Pressure
Pump
Vacuum
Pump
Rinse Bottle Waste Bottle
No. 7Assy
black redblue
green
Hydraulic Connector
No. 23
Rear Panel
PipetteVolumetric
Piston
Si1: Tube Silicone 2 x 5
Si3: Tube Silicone 1/32 x 3/32 inches
Si4: Tube Silicone 6 x 10
TF1: Tube Teflon 1.2 x 2.0
TF2: Tube Teflon 1.5 x 2.5
TA: Tube Toalone 3 x 6
B: Connecting Tube No. 50
C: Connecting Tube No. 3
S: Nipple No. 123
Trash Box
Rinse Cup
Rubber Tube No. 7
Probe Rinse Cup (Outside)
Probe Rinse Cup (Inside)
Si2
Si2
(240)
Si2
(240)
Check Valve
Filter
Chamber No. 4
(240)
(240)
(500)
(500) (500)
Si2: Tube Silicone 4 x 8
8

Table of Contents

Related product manuals