EasyManua.ls Logo

SYSMEX CA-500 - 2.8 Z-AXIS DRIVE UNIT

SYSMEX CA-500
259 pages
Print Icon
To Next Page IconTo Next Page
To Next Page IconTo Next Page
To Previous Page IconTo Previous Page
To Previous Page IconTo Previous Page
Loading...
CA-500 Series S/M 2-9 Revised December 2001
2.8 Z-AXIS DRIVE UNIT (Z-AXIS BASE ASSEMBLY)
2.8.1 Outline
To use the sample probe for aspiration or draining and to move reaction tubes, this unit grips the catcher and
drives it in Z direction. The Z-axis base assembly incorporates a mechanism for mixing plasma and reagent in
reaction tubes.
2.8.2 Specifications/Functions
(1) Z-Direction System
Drive Source: Unipolar type stepping motor (1-2 phase excitation, constant current drive)
Drive transmission: Timing belt type
Resolving power: Approx. 0.08 mm/step
Drive speed: Approx. 3100 pps (at high speed in trapezoidal control)
Sensor: For drive unit home position (transmission type) - 1 unit
(2) Stirring Function
Power source: DC motor (Driving voltage: 1.05 V)
(3) Reaction tube Presence Detection
Sensor: Detects presence of reaction tubes (modulation-reflection type) - 1 unit
(4) Sample Probe
ShapeMaterial: ID 0.50 mm/OD 0.85 mm, SUS316
Heater:
Sensor: Glass chip thermistor
Overheat protection: Thermal fuse 76°C
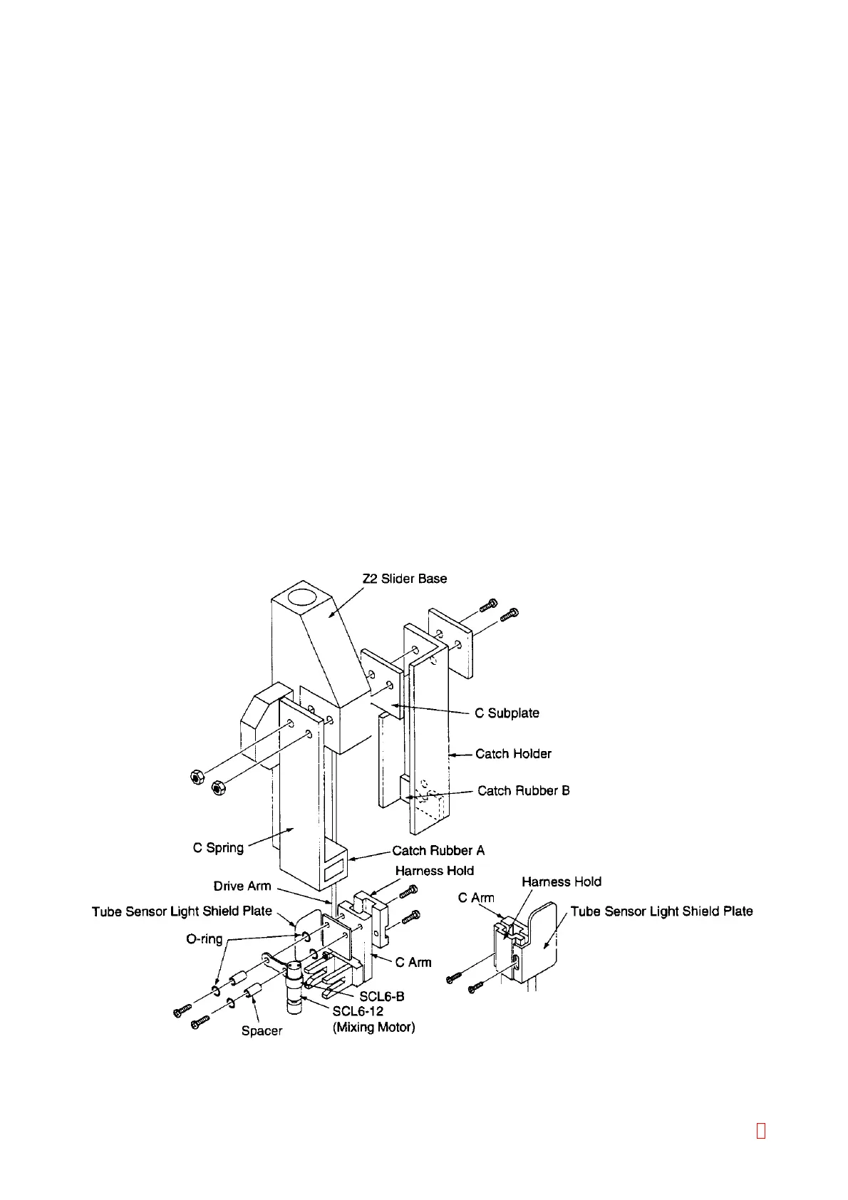
2.8.3 Assembly Diagram
8

Table of Contents

Related product manuals